您好!欢迎来到
设计帮帮网
!
注册
登录
账号登录
QQ登录
支付宝登录
微信登录
短信登录
ID:
余额:
0.00
元
积分:
0
积分
充值
签到
已签到
提现
安全
认证
收藏
退出登录
网站首页
手机版
网站公告
帮助中心
工单管理
管理中心
财务管理
在线充值
快速提现
提现历史
财务明细
积分明细
我是买家
购物车
发布需求
需求管理
买入订单
建立自助交易
我是卖家
发布出售
商品管理
售出订单
建立自助交易
店铺管理
商家保证金
帮助咨询
帮助中心
投诉建议
联系客服
关于我们
用户管理
基本资料
认证中心
我的收藏
用户等级
账户安全
修改密码
登录记录
安全退出
https://web.sjbb168.com/
商品
商品
店铺
资讯
热门搜索:
自定义的
免费发布需求
免费发布任务
建立自助交易
免费发布商品
11
全部商品分类
2D/3D/图纸
分组:
机械设备
交通运输
换热器
泵
生产线/流水线
减速机/减速器
车库
电动机/发电机/柴油机
布局图/布置图
机器人/机械手
精馏塔/发酵罐/锅炉
反应釜/反应器/反应罐
其它
机械设计资料
分组:
毕业设计/课程设计
图纸
文档
其它
模具设计资料
分组:
模具毕业设计/课程设计
说明书/论文
图档
其它
车辆设计资料
分组:
毕业设计/课程设计
图纸
文档
其它
采矿工程资料
分组:
毕业设计/课程设计
图纸/文档
其它
食品/化工/制药
分组:
毕业设计/课程设计
说明书/论文/图纸
其它
土木/建筑/资料
分组:
毕业设计/课程设计
图纸/文档/资料
其它
电气/PLC/单片机
分组:
毕业设计/课程设计
说明书/论文
图纸/CAD
其它
给排水/污水处理
分组:
毕业设计/课程设计
图纸/文档
水利/暖通/供换热
分组:
毕业设计/课程设计
CAD图纸
文档资料
其它
技术资料/其它
分组:
工具/软件/动画
参考资料
文档资料
勘察报告
其它
首页
机械
车辆
模具
土木
PLC
减速器
机器人
机械手
空调系统
采矿
化工
手机版
当前位置:
首页
>
资讯
>
机械设计资料
玻璃横切机设计(CAD图纸+说明书)
分类:
机械设计资料
时间:2026-01-02 06:56
浏览:2
内容
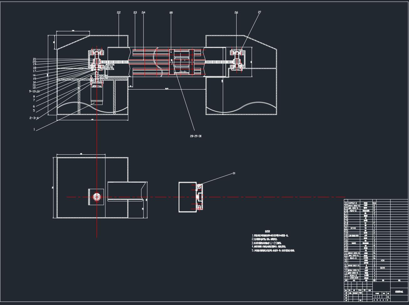
玻璃横切机是玻璃深加工产线的关键设备,其核心作用在于将连续输送的玻璃带精准、高效地裁切成设定尺寸。一套详尽的设计资料,通常包含CAD图纸与设计说明书,能够系统展示整机布局、传动机构、切割头组件及控制系统等关键部分的设计思路与装配关系。这有助于深入理解其机械结构与工作原理,对相关学习或工作具有直接的参考价值。此处展示的图片为配套资源包内的资料截图,旨在让您在正式使用前,能对其内容有更全面、直观的初步认识。需要特别说明的是,资源包中专业资料需在相应的软件环境中才能完整浏览、编辑或进行后续操作。
评论
[
展开所有评论
]
上一篇
玻璃升降器外壳的模具设计(说明书+cad图)
下一篇
玻璃钢拉挤成型机总体设计(论文 CAD图纸 任务书 演示稿)
全部
2D/3D/图纸
机械设计资料
收录软文
最近更新
1
点焊机上电极臂机械加工专用夹具设计(论文+CAD图纸+任务书+开题报告+工序卡+工程卡)
2
点胶机械手的结构设计
3
玻璃升降器复合拉深模的设计(说明书+11张CAD图纸+开题报告+任务书+翻译……)
4
玻璃升降器外壳的模具设计(说明书+cad图)
5
玻璃横切机设计(CAD图纸+说明书)
6
玻璃钢拉挤成型机总体设计(论文 CAD图纸 任务书 演示稿)
7
电冰箱升降平台设计(说明书+CAD图纸)
8
等臂杠杆毕业设计(论文+CAD图纸+工艺卡+三维图)
9
等臂杠杆(论文+说明书+工艺过程卡)
10
粗饲料粉碎机的设计(说明书+CAD图纸+开题报告+任务书……)
买家指南
如何注册
如何购买
搜索商品
支付方式
卖家指南
如何出售
收费标准
入驻签约
安全交易
钓鱼防骗
预防盗号
谨防诈骗
实名认证
常见问题
如何充值
如何提现
真假客服
忘记密码
服务中心
我要咨询
我要建议
我要投诉
QQ客服
网站首页
|
关于我们
|
广告合作
|
联系我们
|
隐私条款
|
免责声明
|
网站地图
CopyRight 2014-2024 设计帮帮网 |
闽ICP备2024057214号
咨询热线
优先咨询网站“在线客服”,若不在线请在电脑端“工单管理””发起工单”