您好!欢迎来到
设计帮帮网
!
注册
登录
账号登录
QQ登录
支付宝登录
微信登录
短信登录
ID:
余额:
0.00
元
积分:
0
积分
充值
签到
已签到
提现
安全
认证
收藏
退出登录
网站首页
手机版
网站公告
帮助中心
工单管理
管理中心
财务管理
在线充值
快速提现
提现历史
财务明细
积分明细
我是买家
购物车
发布需求
需求管理
买入订单
建立自助交易
我是卖家
发布出售
商品管理
售出订单
建立自助交易
店铺管理
商家保证金
帮助咨询
帮助中心
投诉建议
联系客服
关于我们
用户管理
基本资料
认证中心
我的收藏
用户等级
账户安全
修改密码
登录记录
安全退出
https://web.sjbb168.com/
商品
商品
店铺
资讯
热门搜索:
自定义的
免费发布需求
免费发布任务
建立自助交易
免费发布商品
11
全部商品分类
2D/3D/图纸
分组:
机械设备
交通运输
换热器
泵
生产线/流水线
减速机/减速器
车库
电动机/发电机/柴油机
布局图/布置图
机器人/机械手
罐/发酵罐/反应罐/搅拌罐/储罐/油罐
反应釜/反应器/精馏塔/换热器/冷却器/冷凝器
其它
机械设计资料
分组:
毕业设计/课程设计
图纸
文档
其它
模具设计资料
分组:
模具毕业设计/课程设计
说明书/论文
图档
其它
车辆设计资料
分组:
毕业设计/课程设计
图纸
文档
其它
采矿工程资料
分组:
毕业设计/课程设计
图纸/文档
其它
食品/化工/制药
分组:
毕业设计/课程设计
说明书/论文/图纸
其它
土木/建筑/资料
分组:
毕业设计/课程设计
图纸/文档/资料
其它
电气/PLC/单片机
分组:
毕业设计/课程设计
说明书/论文
图纸/CAD
其它
给排水/污水处理
分组:
毕业设计/课程设计
图纸/文档
水利/暖通/供换热
分组:
毕业设计/课程设计
CAD图纸
文档资料
其它
技术资料/其它
分组:
工具/软件/动画
参考资料
文档资料
勘察报告
其它
首页
机械
车辆
模具
土木
PLC
减速器
机器人
机械手
空调系统
采矿
化工
手机版
当前位置:
首页
>
资讯
>
机械设计资料
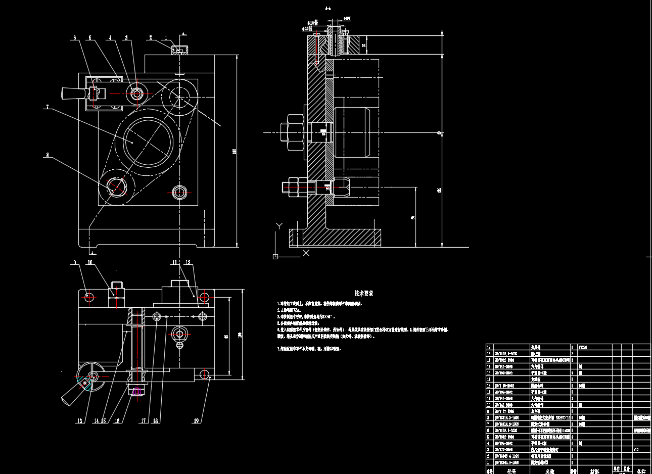
CA6140车床的拨叉夹具设计【CAD图纸+工艺卡工序卡说明书】
分类:
机械设计资料
时间:2026-01-17 02:56
浏览:1
内容
针对CA6140车床拨叉的夹具设计,其核心在于通过专用结构实现工件的快速定位与可靠夹紧,从而保证加工精度的一致性。配套的学习资料包内包含了详尽的设计图纸与工艺文件,系统展示了从定位方案、夹紧机构到对刀引导等关键环节的思考过程。合理运用这类实用资料,能帮助理解专用夹具的设计逻辑,有效优化工艺路线,显著缩短从设计到应用的周期。此处展示的图片为配套资源包内的资料截图,旨在让您在正式使用前,能对其内容有更全面、直观的初步认识。需要特别说明的是,资源包中专业资料需在相应的软件环境中才能完整浏览、编辑或进行后续操作。
评论
[
展开所有评论
]
上一篇
50型拖拉机驱动桥图(CAD)
下一篇
500T运梁车车架结构图(CAD)
全部
2D/3D/图纸
机械设计资料
收录软文
最近更新
1
ASP.NET公交车管理系统的实现与设计(源代码+论文)
2
ABB喷涂机器人
3
CA6140车床的拨叉831003设计
4
90度皮带转弯机(CAD)
5
80t-B发酵罐CAD图纸
6
CA6140车床的拨叉夹具设计
7
80T-B发酵罐(拆分成2张图)
8
50型拖拉机驱动桥图(CAD)
9
CA6140车床的拨叉夹具设计【CAD图纸+工艺卡工序卡说明书】
10
500T运梁车车架结构图(CAD)
买家指南
如何注册
如何购买
搜索商品
支付方式
卖家指南
如何出售
收费标准
入驻签约
安全交易
钓鱼防骗
预防盗号
谨防诈骗
实名认证
常见问题
如何充值
如何提现
真假客服
忘记密码
服务中心
我要咨询
我要建议
我要投诉
QQ客服
网站首页
|
关于我们
|
广告合作
|
联系我们
|
隐私条款
|
免责声明
|
网站地图
CopyRight 2014-2024 设计帮帮网 |
闽ICP备2024057214号
咨询热线
优先咨询网站“在线客服”,若不在线请在电脑端“工单管理””发起工单”