您好!欢迎来到
设计帮帮网
!
注册
登录
账号登录
QQ登录
支付宝登录
微信登录
短信登录
ID:
余额:
0.00
元
积分:
0
积分
充值
签到
已签到
提现
安全
认证
收藏
退出登录
网站首页
手机版
网站公告
帮助中心
工单管理
管理中心
财务管理
在线充值
快速提现
提现历史
财务明细
积分明细
我是买家
购物车
发布需求
需求管理
买入订单
建立自助交易
我是卖家
发布出售
商品管理
售出订单
建立自助交易
店铺管理
商家保证金
帮助咨询
帮助中心
投诉建议
联系客服
关于我们
用户管理
基本资料
认证中心
我的收藏
用户等级
账户安全
修改密码
登录记录
安全退出
https://web.sjbb168.com/
商品
商品
店铺
资讯
热门搜索:
自定义的
免费发布需求
免费发布任务
建立自助交易
免费发布商品
11
全部商品分类
2D/3D/图纸
分组:
机械设备
交通运输
换热器
泵
生产线/流水线
减速机/减速器
车库
电动机/发电机/柴油机
布局图/布置图
机器人/机械手
罐/发酵罐/反应罐/搅拌罐/储罐/油罐
反应釜/反应器/精馏塔/换热器/冷却器/冷凝器
其它
机械设计资料
分组:
毕业设计/课程设计
图纸
文档
其它
模具设计资料
分组:
模具毕业设计/课程设计
说明书/论文
图档
其它
车辆设计资料
分组:
毕业设计/课程设计
图纸
文档
其它
采矿工程资料
分组:
毕业设计/课程设计
图纸/文档
其它
食品/化工/制药
分组:
毕业设计/课程设计
说明书/论文/图纸
其它
土木/建筑/资料
分组:
毕业设计/课程设计
图纸/文档/资料
其它
电气/PLC/单片机
分组:
毕业设计/课程设计
说明书/论文
图纸/CAD
其它
给排水/污水处理
分组:
毕业设计/课程设计
图纸/文档
水利/暖通/供换热
分组:
毕业设计/课程设计
CAD图纸
文档资料
其它
技术资料/其它
分组:
工具/软件/动画
参考资料
文档资料
勘察报告
其它
首页
机械
车辆
模具
土木
PLC
减速器
机器人
机械手
空调系统
采矿
化工
手机版
当前位置:
首页
>
资讯
>
收录软文
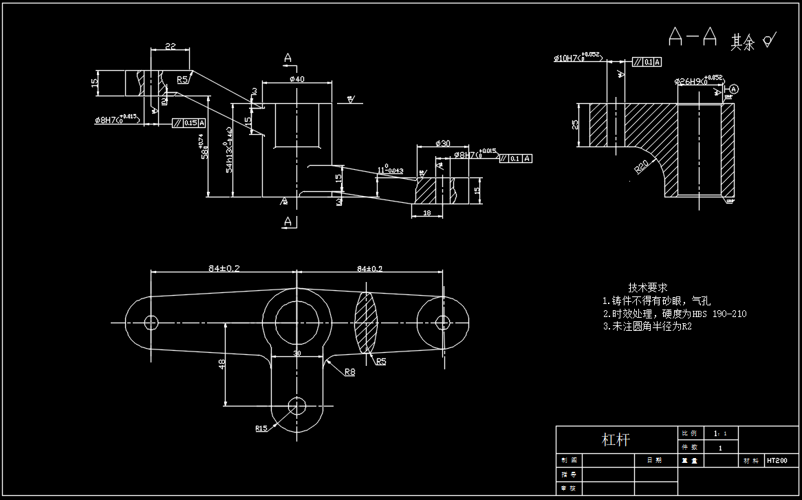
铣床等臂杠杆加工工艺和铣右边30mm的上平台夹具设计【设计说明书+SW三维模型+CAD图纸+工序卡+过程卡】
分类:
收录软文
时间:2025-12-20 04:00
浏览:23
内容
铣床等臂杠杆加工需兼顾尺寸精度与表面质量,工艺设计涵盖材料预处理、粗铣基准面、精铣型腔及去毛刺等步骤,通过合理分配加工余量与切削参数,确保形位公差稳定达标。针对右边30mm上平台铣削需求,专用夹具采用定位销与V型块组合定位,液压快夹装置实现快速装夹,可调式支撑板适配不同高度工件,显著缩短辅助时间。配套学习资料含设计说明书详述工艺逻辑、SW三维模型直观展示结构关系、CAD图纸提供二维技术规范、工序卡与过程卡明确操作流程,形成闭环技术体系。
为便于各位读者更全面、直观地了解本题所涉及资料的整体情况,当前页面所展示的所有图片均源自与本题目配套资源包部分片段或局部内容的截图。这些图片旨在帮助大家在正式使用前,对资料的基本类型、内容组成及文档结构形成清晰的初步认识,以供参考和预览。
评论
[
展开所有评论
]
上一篇
拨叉[831002] 2-钻φ60孔夹具
下一篇
ca6140车床拨叉831002工艺分析及钻φ25孔夹具设计【说明书+CAD图纸+SW三维+工序卡+过程卡】[版本2]
全部
2D/3D/图纸
机械设计资料
收录软文
最近更新
1
圆台巧克力糖包装机设计
2
小型家用多功能磨粉机的设计 包含说明书 CAD图纸 三维图 开题报告 任务书 翻译文献 答辩
3
小型手推式拖地机设计【论文+CAD图纸+三维ug+开题报告+任务书+外文翻译…】
4
小型有机液肥施肥机设计【说明书+CAD图纸+solidworks三维+开题报告+任务书+答辩PPT+动画仿真】
5
小型水果采摘机的结构设计与分析【说明书、CAD图纸、三维proe、动画仿真】
6
微型客车设计--总体设计(说明书 CAD图纸 翻译)
7
扎啤桶环缝环缝胎卡具的设计【说明书+动画仿真+三维sw+CAD图纸】 不锈钢啤酒桶的环缝焊接转胎式工装
8
智能拖地机机械结构设计【论文+CAD图纸+三维ug+开题报告+任务书+外文翻译…】
9
熟鸡蛋去壳机设计【毕业论文、cad、solidworks】 熟鸡蛋剥壳机
10
真空加热式高效净油机设计【论文 CAD图纸 开题报告 任务书 SolidWorks三维图】
买家指南
如何注册
如何购买
搜索商品
支付方式
卖家指南
如何出售
收费标准
入驻签约
安全交易
钓鱼防骗
预防盗号
谨防诈骗
实名认证
常见问题
如何充值
如何提现
真假客服
忘记密码
服务中心
我要咨询
我要建议
我要投诉
QQ客服
网站首页
|
关于我们
|
广告合作
|
联系我们
|
隐私条款
|
免责声明
|
网站地图
CopyRight 2014-2024 设计帮帮网 |
闽ICP备2024057214号
咨询热线
优先咨询网站“在线客服”,若不在线请在电脑端“工单管理””发起工单”