您好!欢迎来到
设计帮帮网
!
注册
登录
账号登录
QQ登录
支付宝登录
微信登录
短信登录
ID:
余额:
0.00
元
积分:
0
积分
充值
签到
已签到
提现
安全
认证
收藏
退出登录
网站首页
手机版
网站公告
帮助中心
工单管理
管理中心
财务管理
在线充值
快速提现
提现历史
财务明细
积分明细
我是买家
购物车
发布需求
需求管理
买入订单
建立自助交易
我是卖家
发布出售
商品管理
售出订单
建立自助交易
店铺管理
商家保证金
帮助咨询
帮助中心
投诉建议
联系客服
关于我们
用户管理
基本资料
认证中心
我的收藏
用户等级
账户安全
修改密码
登录记录
安全退出
https://web.sjbb168.com/
商品
商品
店铺
资讯
热门搜索:
自定义的
免费发布需求
免费发布任务
建立自助交易
免费发布商品
11
全部商品分类
2D/3D/图纸
分组:
机械设备
交通运输
换热器
泵
生产线/流水线
减速机/减速器
车库
电动机/发电机/柴油机
布局图/布置图
机器人/机械手
罐/发酵罐/反应罐/搅拌罐/储罐/油罐
反应釜/反应器/精馏塔/换热器/冷却器/冷凝器
其它
机械设计资料
分组:
毕业设计/课程设计
图纸
文档
其它
模具设计资料
分组:
模具毕业设计/课程设计
说明书/论文
图档
其它
车辆设计资料
分组:
毕业设计/课程设计
图纸
文档
其它
采矿工程资料
分组:
毕业设计/课程设计
图纸/文档
其它
食品/化工/制药
分组:
毕业设计/课程设计
说明书/论文/图纸
其它
土木/建筑/资料
分组:
毕业设计/课程设计
图纸/文档/资料
其它
电气/PLC/单片机
分组:
毕业设计/课程设计
说明书/论文
图纸/CAD
其它
给排水/污水处理
分组:
毕业设计/课程设计
图纸/文档
水利/暖通/供换热
分组:
毕业设计/课程设计
CAD图纸
文档资料
其它
技术资料/其它
分组:
工具/软件/动画
参考资料
文档资料
勘察报告
其它
首页
机械
车辆
模具
土木
PLC
减速器
机器人
机械手
空调系统
采矿
化工
手机版
当前位置:
首页
>
资讯
>
收录软文
压片成形机的设计【单冲式压片机】【干粉压片机】—包含说明书、7张CAD图纸、开题报告、任务书
分类:
收录软文
时间:2025-12-20 02:00
浏览:47
内容
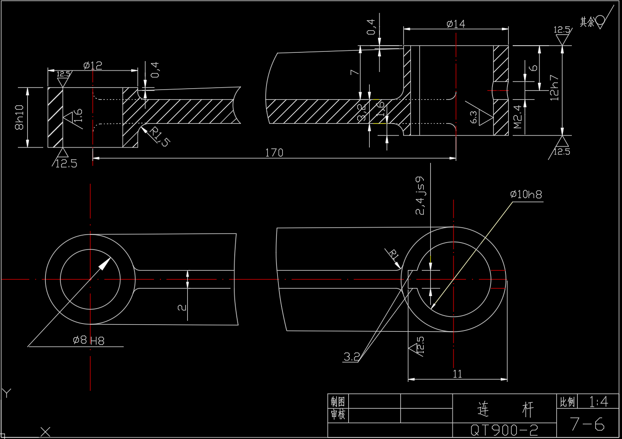
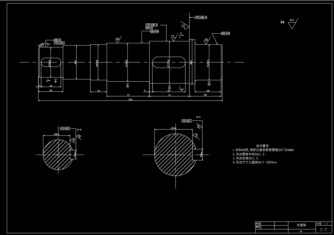
单冲式干粉压片机设计聚焦于将干粉高效转化为规则片剂,核心部件包括冲模、加料器及压力调节装置。冲模通过单次冲压实现粉末密实,加料器精准控制粉量,压力系统确保片剂硬度达标。设计说明书详述机械结构、传动原理及调试要点,7张CAD图纸涵盖总装、冲模剖面、传动系统等关键视图,开题报告明确技术路线与创新点,任务书界定设计目标与验收标准。该设计显著缩短了传统压片设备的调试周期,优化了操作便捷性。为便于各位读者更全面、直观地了解本题所涉及资料的整体情况,当前页面所展示的所有图片均源自与本题目配套资源包部分片段或局部内容的截图。
评论
[
展开所有评论
]
上一篇
831003车床拨叉课程设计(拨叉831003加工工艺及钻φ22花键底孔夹具设计)(说明书 CAD图纸 SolidWor
下一篇
油压式蜂窝煤成型机设计【旋转式自动蜂窝煤机】【冲压式蜂窝煤成型机】
全部
2D/3D/图纸
机械设计资料
收录软文
最近更新
1
圆台巧克力糖包装机设计
2
小型家用多功能磨粉机的设计 包含说明书 CAD图纸 三维图 开题报告 任务书 翻译文献 答辩
3
小型手推式拖地机设计【论文+CAD图纸+三维ug+开题报告+任务书+外文翻译…】
4
小型有机液肥施肥机设计【说明书+CAD图纸+solidworks三维+开题报告+任务书+答辩PPT+动画仿真】
5
小型水果采摘机的结构设计与分析【说明书、CAD图纸、三维proe、动画仿真】
6
微型客车设计--总体设计(说明书 CAD图纸 翻译)
7
扎啤桶环缝环缝胎卡具的设计【说明书+动画仿真+三维sw+CAD图纸】 不锈钢啤酒桶的环缝焊接转胎式工装
8
智能拖地机机械结构设计【论文+CAD图纸+三维ug+开题报告+任务书+外文翻译…】
9
熟鸡蛋去壳机设计【毕业论文、cad、solidworks】 熟鸡蛋剥壳机
10
真空加热式高效净油机设计【论文 CAD图纸 开题报告 任务书 SolidWorks三维图】
买家指南
如何注册
如何购买
搜索商品
支付方式
卖家指南
如何出售
收费标准
入驻签约
安全交易
钓鱼防骗
预防盗号
谨防诈骗
实名认证
常见问题
如何充值
如何提现
真假客服
忘记密码
服务中心
我要咨询
我要建议
我要投诉
QQ客服
网站首页
|
关于我们
|
广告合作
|
联系我们
|
隐私条款
|
免责声明
|
网站地图
CopyRight 2014-2024 设计帮帮网 |
闽ICP备2024057214号
咨询热线
优先咨询网站“在线客服”,若不在线请在电脑端“工单管理””发起工单”