您好!欢迎来到
设计帮帮网
!
注册
登录
账号登录
QQ登录
支付宝登录
微信登录
短信登录
ID:
余额:
0.00
元
积分:
0
积分
充值
签到
已签到
提现
安全
认证
收藏
退出登录
网站首页
手机版
网站公告
帮助中心
工单管理
管理中心
财务管理
在线充值
快速提现
提现历史
财务明细
积分明细
我是买家
购物车
发布需求
需求管理
买入订单
建立自助交易
我是卖家
发布出售
商品管理
售出订单
建立自助交易
店铺管理
商家保证金
帮助咨询
帮助中心
投诉建议
联系客服
关于我们
用户管理
基本资料
认证中心
我的收藏
用户等级
账户安全
修改密码
登录记录
安全退出
https://web.sjbb168.com/
商品
商品
店铺
资讯
热门搜索:
自定义的
免费发布需求
免费发布任务
建立自助交易
免费发布商品
11
全部商品分类
2D/3D/图纸
分组:
机械设备
交通运输
换热器
泵
生产线/流水线
减速机/减速器
车库
电动机/发电机/柴油机
布局图/布置图
机器人/机械手
精馏塔/发酵罐/锅炉
反应釜/反应器/反应罐
其它
机械设计资料
分组:
毕业设计/课程设计
图纸
文档
其它
模具设计资料
分组:
模具毕业设计/课程设计
说明书/论文
图档
其它
车辆设计资料
分组:
毕业设计/课程设计
图纸
文档
其它
采矿工程资料
分组:
毕业设计/课程设计
图纸/文档
其它
食品/化工/制药
分组:
毕业设计/课程设计
说明书/论文/图纸
其它
土木/建筑/资料
分组:
毕业设计/课程设计
图纸/文档/资料
其它
电气/PLC/单片机
分组:
毕业设计/课程设计
说明书/论文
图纸/CAD
其它
给排水/污水处理
分组:
毕业设计/课程设计
图纸/文档
水利/暖通/供换热
分组:
毕业设计/课程设计
CAD图纸
文档资料
其它
技术资料/其它
分组:
工具/软件/动画
参考资料
文档资料
勘察报告
其它
首页
机械
车辆
模具
土木
PLC
减速器
机器人
机械手
空调系统
采矿
化工
手机版
当前位置:
首页
>
资讯
>
机械设计资料
机械毕业设计-园艺杂枝粉碎机的设计(论文+CAD图纸+开题报告+任务书+答辩PPT)
分类:
机械设计资料
时间:2025-12-13 20:30
浏览:13
内容
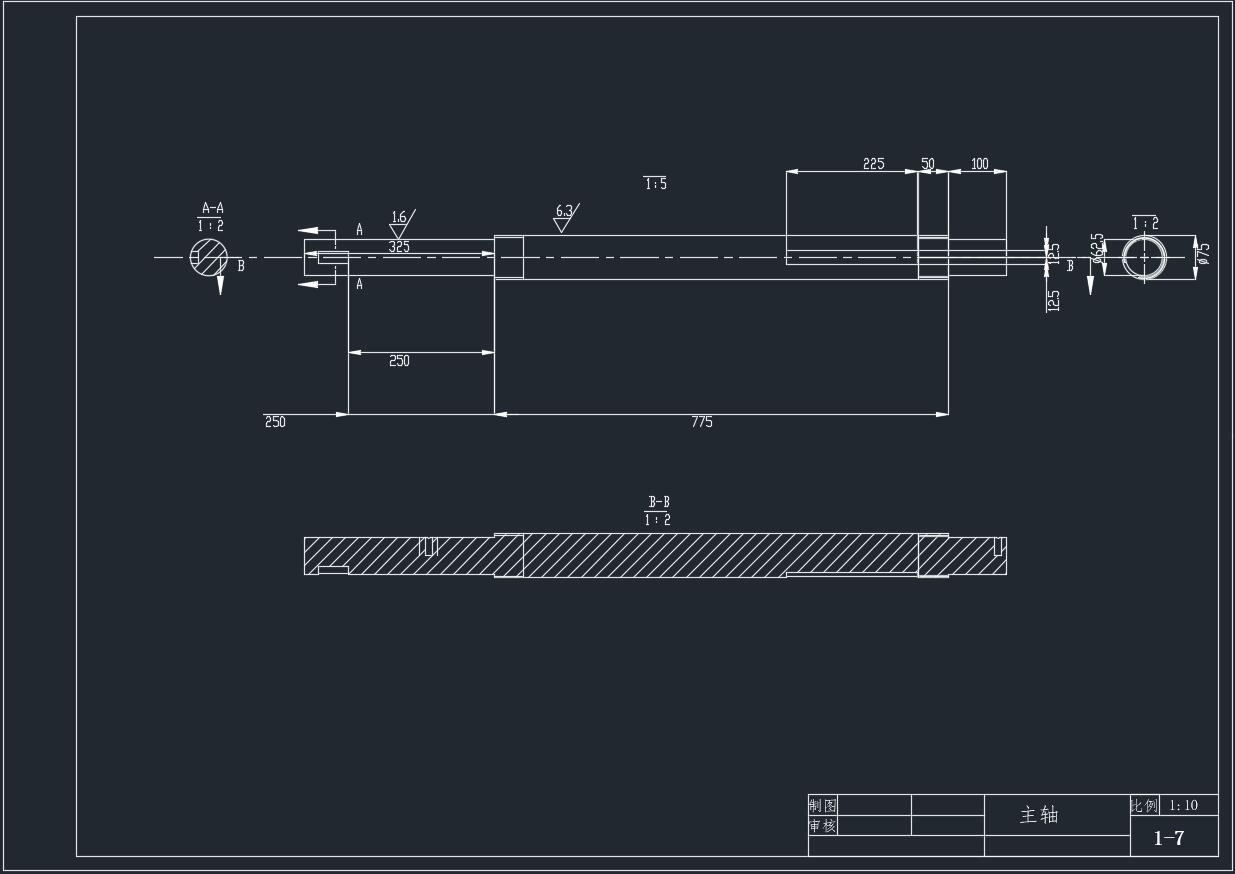
针对园艺杂枝粉碎机的毕业设计,其核心在于通过结构设计与关键部件选型,实现高效、安全的枝条粉碎功能。该设计过程涵盖了方案论证、动力计算、传动系统与粉碎装置的设计,并形成了相应的图纸文档。这些学习资料系统展示了从理论分析到工程表达的全过程,为同类设计提供了实用参考。当前页面图片均截取自配套资料包,仅用于预览资料类型与结构,完整内容需在专业软件中查看使用。
评论
[
展开所有评论
]
上一篇
机械毕业设计-双梁桥式起重机主梁及端梁设计(含全套CAD图纸)
下一篇
机械毕业设计-大倾角带式运输机的设计
全部
2D/3D/图纸
机械设计资料
收录软文
最近更新
1
汽车鼓式制动器的设计与分析(论文 CAD图纸 开题报告 任务书 答辩PPT……)
2
基于ug的齿轮虚拟加工及蜗轮蜗杆的造型研究【三维ug+毕业论文+答辩+中英文翻译】
3
汽车鼓式制动器设计
4
基于ccd的弹簧管刚度测量装置设计【solidworks三维+CAD图纸+开题报告+任务书+外文翻译】
5
汽车鼓式制动器设计(论文 CAD图纸 开题报告 任务书 答辩PPT 文献翻译)
6
基于ProE的瓶盖注塑模设计【说明书+CAD图纸+开题报告+任务书】 备注:此份资料不含ProE三维图,只有三维截图
7
轻型货车悬架设计(论文+CAD图纸)
8
三星手机充电器外壳注塑模设计【说明书+CAD图纸+UG三维】
9
轻型货车膜片弹簧(压式)离合器设计(说明书+CAD图纸+开题报告+任务书……)
10
1780R2粗轧机压下系统设计(设计说明书+CAD图纸+翻译+答辩问题)
买家指南
如何注册
如何购买
搜索商品
支付方式
卖家指南
如何出售
收费标准
入驻签约
安全交易
钓鱼防骗
预防盗号
谨防诈骗
实名认证
常见问题
如何充值
如何提现
真假客服
忘记密码
服务中心
我要咨询
我要建议
我要投诉
QQ客服
网站首页
|
关于我们
|
广告合作
|
联系我们
|
隐私条款
|
免责声明
|
网站地图
CopyRight 2014-2024 设计帮帮网 |
闽ICP备2024057214号
咨询热线
优先咨询网站“在线客服”,若不在线请在电脑端“工单管理””发起工单”