机械设计资料
返回首页
会员中心
功能菜单
联系我们
https://web.sjbb168.com/
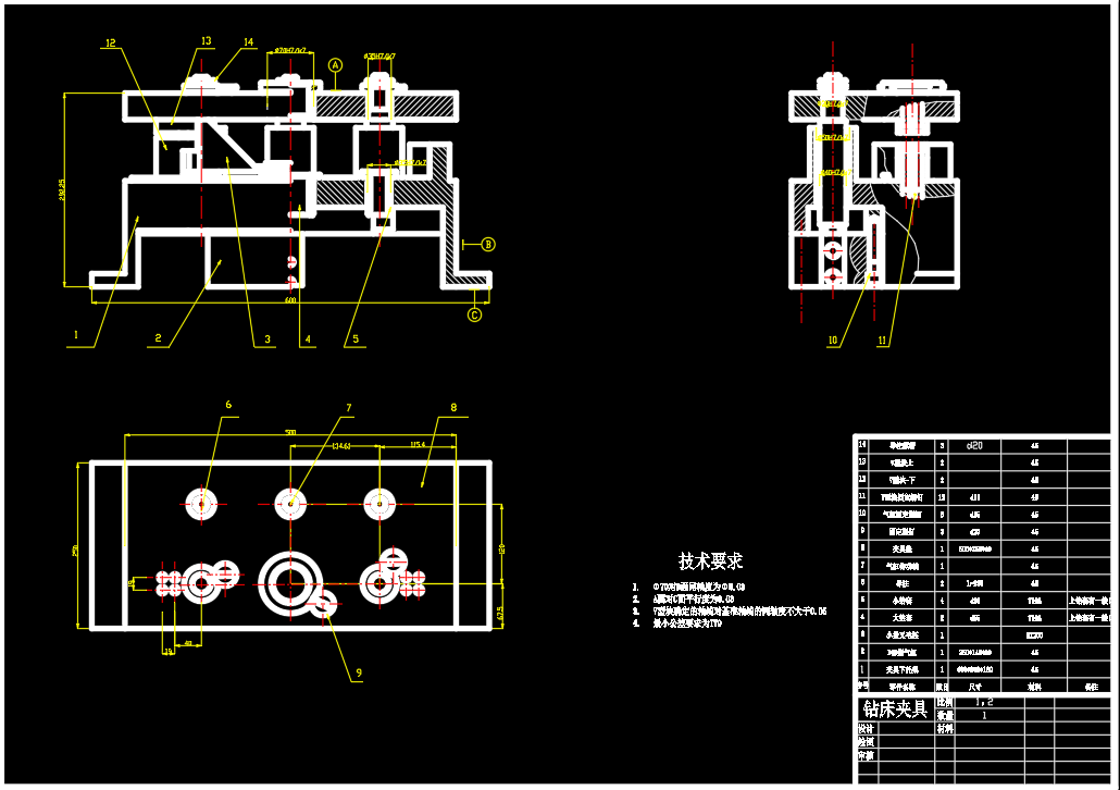
CA6140车床拨叉831006机械加工工艺规程及钻25孔与扩55孔夹具设计(设计说明书+ CAD图纸+ 三维图+工艺卡)
来源: 阅读:6
网站管理员
发布于 2026-02-06 11:50
查看主页
针对CA6140车床拨叉831006的加工,其机械加工工艺规程是确保该零件符合设计要求的核心指导。这份资料详细规划了从毛坯到成品的各道工序,特别是钻25孔与扩55孔这两项关键加工步骤。为提升这两步的精度与效率,专门设计的夹具能可靠定位与夹紧工件,有效保证了孔系的位置精度。配套的图纸与工艺卡直观展示了工艺路线与工装结构,为类似零件的工艺编制与夹具设计提供了实用的学习资料。
免责声明:本文为用户发表,不代表网站立场,仅供参考,不构成引导等用途。
机械设计资料
相关推荐
分流式二级圆柱齿轮减速器设计F=1.9kN,V=1.6ms,D=350mm
02/04
8
机械毕业设计-矩形花键拉刀及矩形花键铣刀设计(含CAD图纸)
01/21
24
毕业设计_小型混凝土搅拌机的设计【设计说明书(论文)+14张CAD图纸+开题报告】
02/06
4
珩磨机的总体设计(论文+cad图+文献翻译)
01/07
35
移动模架造桥机结构有限元分析
01/01
39
首页
分类
购物车
消息
我的
想要更低价购买?
长按二维码,联系客服享优惠折扣
微信号:
yj99cn