您好!欢迎来到
设计帮帮网
!
注册
登录
账号登录
QQ登录
支付宝登录
微信登录
短信登录
ID:
余额:
0.00
元
积分:
0
积分
充值
签到
已签到
提现
安全
认证
收藏
退出登录
网站首页
手机版
网站公告
帮助中心
工单管理
管理中心
财务管理
在线充值
快速提现
提现历史
财务明细
积分明细
我是买家
购物车
发布需求
需求管理
买入订单
建立自助交易
我是卖家
发布出售
商品管理
售出订单
建立自助交易
店铺管理
商家保证金
帮助咨询
帮助中心
投诉建议
联系客服
关于我们
用户管理
基本资料
认证中心
我的收藏
用户等级
账户安全
修改密码
登录记录
安全退出
https://web.sjbb168.com/
商品
商品
店铺
资讯
热门搜索:
自定义的
免费发布需求
免费发布任务
建立自助交易
免费发布商品
11
全部商品分类
2D/3D/图纸
分组:
机械设备
交通运输
换热器
泵
生产线/流水线
减速机/减速器
车库
电动机/发电机/柴油机
布局图/布置图
机器人/机械手
罐/发酵罐/反应罐/搅拌罐/储罐/油罐
反应釜/反应器/精馏塔/换热器/冷却器/冷凝器
其它
机械设计资料
分组:
毕业设计/课程设计
图纸
文档
其它
模具设计资料
分组:
模具毕业设计/课程设计
说明书/论文
图档
其它
车辆设计资料
分组:
毕业设计/课程设计
图纸
文档
其它
采矿工程资料
分组:
毕业设计/课程设计
图纸/文档
其它
食品/化工/制药
分组:
毕业设计/课程设计
说明书/论文/图纸
其它
土木/建筑/资料
分组:
毕业设计/课程设计
图纸/文档/资料
其它
电气/PLC/单片机
分组:
毕业设计/课程设计
说明书/论文
图纸/CAD
其它
给排水/污水处理
分组:
毕业设计/课程设计
图纸/文档
水利/暖通/供换热
分组:
毕业设计/课程设计
CAD图纸
文档资料
其它
技术资料/其它
分组:
工具/软件/动画
参考资料
文档资料
勘察报告
其它
首页
机械
车辆
模具
土木
PLC
减速器
机器人
机械手
空调系统
采矿
化工
手机版
当前位置:
首页
>
资讯
>
收录软文
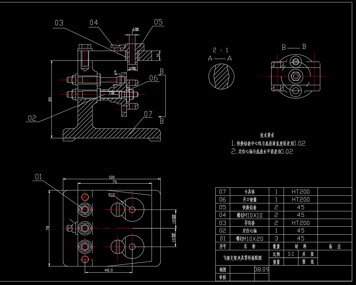
飞锤支架(论文+CAD图纸)
分类:
收录软文
时间:2026-01-19 15:00
浏览:41
内容
飞锤支架是机械系统中的支撑部件,用于飞锤的定位与固定,保障运行稳定性。配套论文涵盖结构设计原理、受力分析等内容,结合CAD图纸直观展示尺寸参数与装配细节,形成系统的学习资料。
评论
[
展开所有评论
]
上一篇
飞面孔双卧多轴组合机床及CAD设计(论文+DWG图纸)
下一篇
风力发电机齿轮增速箱毕业设计(设计说明书+CAD图纸)
全部
2D/3D/图纸
机械设计资料
收录软文
最近更新
1
方刀架工艺课程设计(说明书+任务书+CAD图纸+21张工序卡+工艺卡)
2
方刀架(P276)零件机械加工工艺规程及典型夹具设计
3
工艺毕业设计-29323联轴器的加工设计(全套设计及CAD图纸)
4
工艺夹具设计-飞锤支架零件的机械加工工艺及夹具设计【铣18槽】(全套)
5
工艺夹具毕业设计-差速器壳体工艺及工装设计(CAD图纸及论文)
6
工艺夹具-铣床工作台机械加工工艺及铣削T形槽夹具设计(论文 CAD图纸 开题报告 工艺卡……)
7
工艺夹具-连接座的数控工艺及主要工序工装设计(论文 CAD图纸 三维图 工序卡 开题报告 数控程序)
8
工艺夹具-车床拨叉 共7套打包下载 说明书 CAD图纸 过程卡 过程卡……
9
工艺夹具-车床小刀架机械加工工艺及镗孔的夹具设计
10
工艺夹具-弹簧吊耳零件工艺及加工Φ30 两孔夹具设计
买家指南
如何注册
如何购买
搜索商品
支付方式
卖家指南
如何出售
收费标准
入驻签约
安全交易
钓鱼防骗
预防盗号
谨防诈骗
实名认证
常见问题
如何充值
如何提现
真假客服
忘记密码
服务中心
我要咨询
我要建议
我要投诉
QQ客服
网站首页
|
关于我们
|
广告合作
|
联系我们
|
隐私条款
|
免责声明
|
网站地图
CopyRight 2014-2024 设计帮帮网 |
闽ICP备2024057214号
咨询热线
优先咨询网站“在线客服”,若不在线请在电脑端“工单管理””发起工单”