您好!欢迎来到
设计帮帮网
!
注册
登录
账号登录
QQ登录
支付宝登录
微信登录
短信登录
ID:
余额:
0.00
元
积分:
0
积分
充值
签到
已签到
提现
安全
认证
收藏
退出登录
网站首页
手机版
网站公告
帮助中心
工单管理
管理中心
财务管理
在线充值
快速提现
提现历史
财务明细
积分明细
我是买家
购物车
发布需求
需求管理
买入订单
建立自助交易
我是卖家
发布出售
商品管理
售出订单
建立自助交易
店铺管理
商家保证金
帮助咨询
帮助中心
投诉建议
联系客服
关于我们
用户管理
基本资料
认证中心
我的收藏
用户等级
账户安全
修改密码
登录记录
安全退出
https://web.sjbb168.com/
商品
商品
店铺
资讯
热门搜索:
自定义的
免费发布需求
免费发布任务
建立自助交易
免费发布商品
11
全部商品分类
2D/3D/图纸
分组:
机械设备
交通运输
换热器
泵
生产线/流水线
减速机/减速器
车库
电动机/发电机/柴油机
布局图/布置图
机器人/机械手
罐/发酵罐/反应罐/搅拌罐/储罐/油罐
反应釜/反应器/精馏塔/换热器/冷却器/冷凝器
其它
机械设计资料
分组:
毕业设计/课程设计
图纸
文档
其它
模具设计资料
分组:
模具毕业设计/课程设计
说明书/论文
图档
其它
车辆设计资料
分组:
毕业设计/课程设计
图纸
文档
其它
采矿工程资料
分组:
毕业设计/课程设计
图纸/文档
其它
食品/化工/制药
分组:
毕业设计/课程设计
说明书/论文/图纸
其它
土木/建筑/资料
分组:
毕业设计/课程设计
图纸/文档/资料
其它
电气/PLC/单片机
分组:
毕业设计/课程设计
说明书/论文
图纸/CAD
其它
给排水/污水处理
分组:
毕业设计/课程设计
图纸/文档
水利/暖通/供换热
分组:
毕业设计/课程设计
CAD图纸
文档资料
其它
技术资料/其它
分组:
工具/软件/动画
参考资料
文档资料
勘察报告
其它
首页
机械
车辆
模具
土木
PLC
减速器
机器人
机械手
空调系统
采矿
化工
手机版
当前位置:
首页
>
资讯
>
机械设计资料
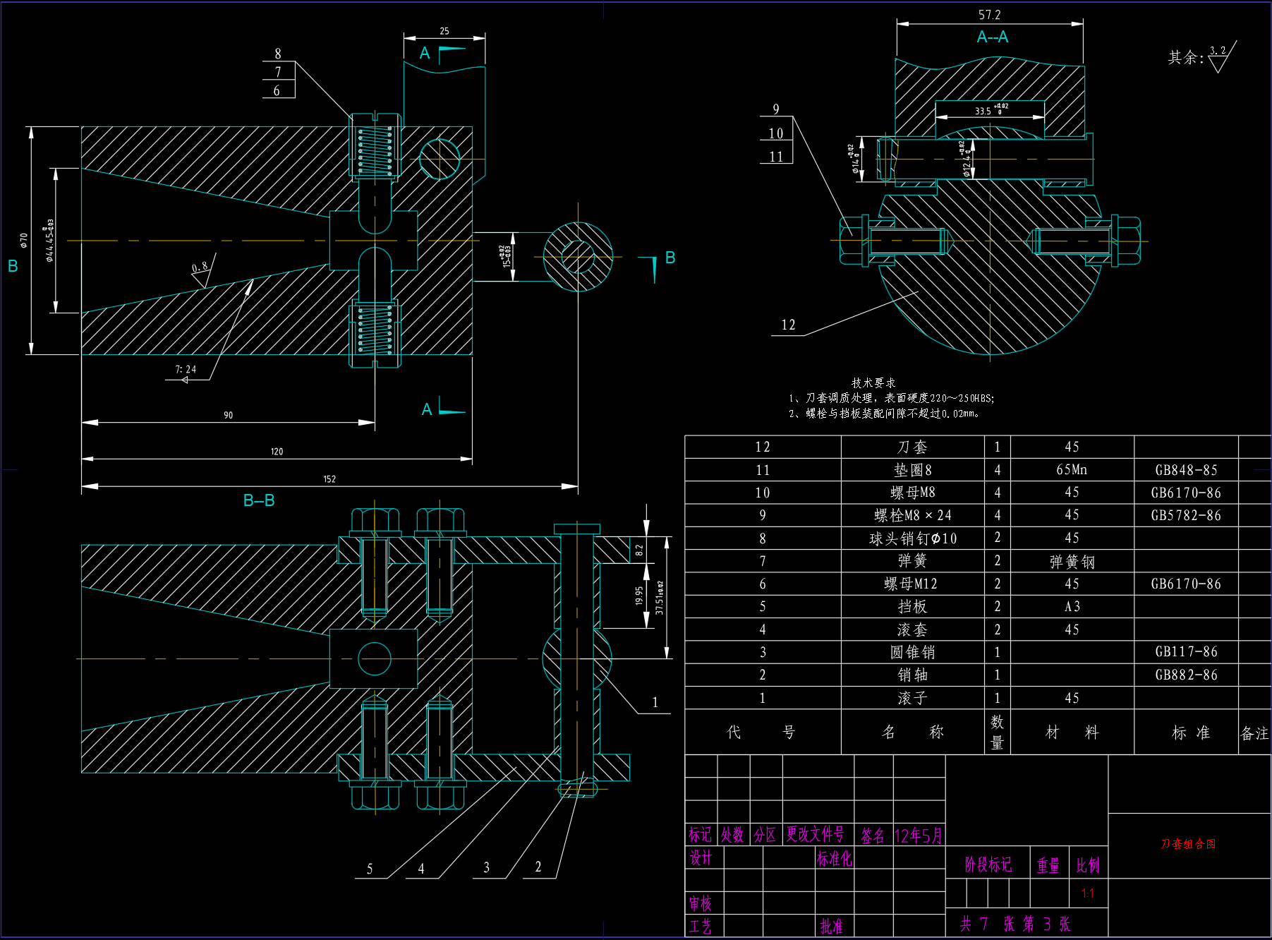
加工中心自动换刀系统设计(盘式)—刀库设计【开题报告+设计说明书+英文翻译+中期检查表+CAD图纸】
分类:
机械设计资料
时间:2026-01-18 14:56
浏览:0
内容
针对盘式刀库的加工中心自动换刀系统设计,其核心在于实现刀具的快速、精准与可靠交换。设计过程涵盖了刀库机械结构、驱动与控制逻辑等关键部分,旨在提升机床的加工效率与自动化水平。相关的学习资料,包括开题报告、设计说明书及图纸等,系统阐述了从方案构思到细节实现的完整思路。此处展示的图片为配套资源包内的资料截图,旨在让您在正式使用前,能对其内容有更全面、直观的初步认识。需要特别说明的是,资源包中专业资料需在相应的软件环境中才能完整浏览、编辑或进行后续操作。
评论
[
展开所有评论
]
上一篇
法兰盘的机械加工工艺规程及铣距Φ90mm两侧平面的工序专用夹具设计
下一篇
法兰盘夹具设计(论文+CAD图纸+工艺卡片)
全部
2D/3D/图纸
机械设计资料
收录软文
最近更新
1
电主轴的机械设计(说明书 CAD图纸 开题报告 任务书 外文翻译)
2
甘蔗榨汁机的设计【优秀设计含SW三维3D建模+6张CAD图纸+说明书+开题报告+任务书+答辩PPT】
3
阀盖零件的工艺规程及其铣后端面的工装夹具设计
4
甘蔗收获机输送剥叶装置的设计(论文+CAD图纸)
5
浮头式换热器设计(论文+CAD图纸+开题报告+任务书……)
6
连接座加工工艺及设计钻3-φ7孔的钻床夹具【说明书+CAD图纸+11张工序卡+过程卡】
7
法兰盘零件的加工工艺,设计钻4-Φ7孔的钻床夹具
8
法兰盘钻φ6mm孔夹具设计(论文+CAD图纸+工序卡+任务书)
9
基于微机的数控台钻x---y工作台进给伺服系统设计
10
法兰盘钻φ6mm孔夹具设计
买家指南
如何注册
如何购买
搜索商品
支付方式
卖家指南
如何出售
收费标准
入驻签约
安全交易
钓鱼防骗
预防盗号
谨防诈骗
实名认证
常见问题
如何充值
如何提现
真假客服
忘记密码
服务中心
我要咨询
我要建议
我要投诉
QQ客服
网站首页
|
关于我们
|
广告合作
|
联系我们
|
隐私条款
|
免责声明
|
网站地图
CopyRight 2014-2024 设计帮帮网 |
闽ICP备2024057214号
咨询热线
优先咨询网站“在线客服”,若不在线请在电脑端“工单管理””发起工单”