您好!欢迎来到
设计帮帮网
!
注册
登录
账号登录
QQ登录
支付宝登录
微信登录
短信登录
ID:
余额:
0.00
元
积分:
0
积分
充值
签到
已签到
提现
安全
认证
收藏
退出登录
网站首页
手机版
网站公告
帮助中心
工单管理
管理中心
财务管理
在线充值
快速提现
提现历史
财务明细
积分明细
我是买家
购物车
发布需求
需求管理
买入订单
建立自助交易
我是卖家
发布出售
商品管理
售出订单
建立自助交易
店铺管理
商家保证金
帮助咨询
帮助中心
投诉建议
联系客服
关于我们
用户管理
基本资料
认证中心
我的收藏
用户等级
账户安全
修改密码
登录记录
安全退出
https://web.sjbb168.com/
商品
商品
店铺
资讯
热门搜索:
自定义的
免费发布需求
免费发布任务
建立自助交易
免费发布商品
11
全部商品分类
2D/3D/图纸
分组:
机械设备
交通运输
换热器
泵
生产线/流水线
减速机/减速器
车库
电动机/发电机/柴油机
布局图/布置图
机器人/机械手
罐/发酵罐/反应罐/搅拌罐/储罐/油罐
反应釜/反应器/精馏塔/换热器/冷却器/冷凝器
其它
机械设计资料
分组:
毕业设计/课程设计
图纸
文档
其它
模具设计资料
分组:
模具毕业设计/课程设计
说明书/论文
图档
其它
车辆设计资料
分组:
毕业设计/课程设计
图纸
文档
其它
采矿工程资料
分组:
毕业设计/课程设计
图纸/文档
其它
食品/化工/制药
分组:
毕业设计/课程设计
说明书/论文/图纸
其它
土木/建筑/资料
分组:
毕业设计/课程设计
图纸/文档/资料
其它
电气/PLC/单片机
分组:
毕业设计/课程设计
说明书/论文
图纸/CAD
其它
给排水/污水处理
分组:
毕业设计/课程设计
图纸/文档
水利/暖通/供换热
分组:
毕业设计/课程设计
CAD图纸
文档资料
其它
技术资料/其它
分组:
工具/软件/动画
参考资料
文档资料
勘察报告
其它
首页
机械
车辆
模具
土木
PLC
减速器
机器人
机械手
空调系统
采矿
化工
手机版
当前位置:
首页
>
资讯
>
机械设计资料
CA6150普通车床的数控技术改造论文(单片机)
分类:
机械设计资料
时间:2026-01-17 01:56
浏览:2
内容
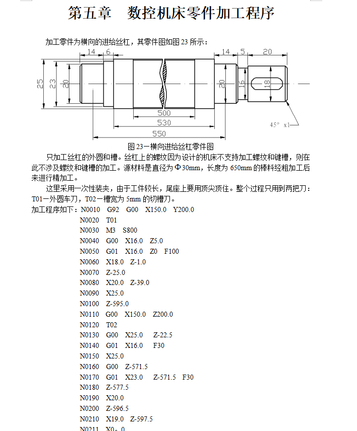
针对CA6150普通车床的数控技术改造,采用单片机方案是提升其自动化水平的关键。该方案通过单片机系统替代原有机械控制,实现了对刀架移动与主轴转速的精确数字控制。此举不仅显著提升了加工精度与一致性,更能通过程序化管理,有效缩短从图纸到成品的周期,并降低对操作人员经验的依赖。改造后的设备兼容常规G代码,使得编程与操作更为直观便捷。此处展示的图片为配套资源包内的资料截图,旨在让您在正式使用前,能对其内容有更全面、直观的初步认识。需要特别说明的是,资源包中专业资料需在相应的软件环境中才能完整浏览、编辑或进行后续操作。
评论
[
展开所有评论
]
上一篇
36、37、39、40、自动扶梯详图
下一篇
350铜扁线液压集成块图
全部
2D/3D/图纸
机械设计资料
收录软文
最近更新
1
一级圆柱齿轮减速器结构图CAD图纸
2
一级圆柱齿轮减速器图——CAD
3
CA6140车床方刀架加工工艺及夹具设计(课程设计全套)
4
一级圆柱齿轮减速器——CAD
5
一级减速器装配图CAD图纸
6
CA6140车床法兰盘【831004】机制工艺学课程设计
7
一级减速器装配图
8
一级减速器箱盖图CAD图纸
9
CA6140车床法兰盘加工工艺、设计钻4×φ9mm孔的钻床夹具完整版CAD图纸
10
一级减速器成套CAD图【22CAD】
买家指南
如何注册
如何购买
搜索商品
支付方式
卖家指南
如何出售
收费标准
入驻签约
安全交易
钓鱼防骗
预防盗号
谨防诈骗
实名认证
常见问题
如何充值
如何提现
真假客服
忘记密码
服务中心
我要咨询
我要建议
我要投诉
QQ客服
网站首页
|
关于我们
|
广告合作
|
联系我们
|
隐私条款
|
免责声明
|
网站地图
CopyRight 2014-2024 设计帮帮网 |
闽ICP备2024057214号
咨询热线
优先咨询网站“在线客服”,若不在线请在电脑端“工单管理””发起工单”