您好!欢迎来到
设计帮帮网
!
注册
登录
账号登录
QQ登录
支付宝登录
微信登录
短信登录
ID:
余额:
0.00
元
积分:
0
积分
充值
签到
已签到
提现
安全
认证
收藏
退出登录
网站首页
手机版
网站公告
帮助中心
工单管理
管理中心
财务管理
在线充值
快速提现
提现历史
财务明细
积分明细
我是买家
购物车
发布需求
需求管理
买入订单
建立自助交易
我是卖家
发布出售
商品管理
售出订单
建立自助交易
店铺管理
商家保证金
帮助咨询
帮助中心
投诉建议
联系客服
关于我们
用户管理
基本资料
认证中心
我的收藏
用户等级
账户安全
修改密码
登录记录
安全退出
https://web.sjbb168.com/
商品
商品
店铺
资讯
热门搜索:
自定义的
免费发布需求
免费发布任务
建立自助交易
免费发布商品
11
全部商品分类
2D/3D/图纸
分组:
机械设备
交通运输
换热器
泵
生产线/流水线
减速机/减速器
车库
电动机/发电机/柴油机
布局图/布置图
机器人/机械手
精馏塔/发酵罐/锅炉
反应釜/反应器/反应罐
其它
机械设计资料
分组:
毕业设计/课程设计
图纸
文档
其它
模具设计资料
分组:
模具毕业设计/课程设计
说明书/论文
图档
其它
车辆设计资料
分组:
毕业设计/课程设计
图纸
文档
其它
采矿工程资料
分组:
毕业设计/课程设计
图纸/文档
其它
食品/化工/制药
分组:
毕业设计/课程设计
说明书/论文/图纸
其它
土木/建筑/资料
分组:
毕业设计/课程设计
图纸/文档/资料
其它
电气/PLC/单片机
分组:
毕业设计/课程设计
说明书/论文
图纸/CAD
其它
给排水/污水处理
分组:
毕业设计/课程设计
图纸/文档
水利/暖通/供换热
分组:
毕业设计/课程设计
CAD图纸
文档资料
其它
技术资料/其它
分组:
工具/软件/动画
参考资料
文档资料
勘察报告
其它
首页
机械
车辆
模具
土木
PLC
减速器
机器人
机械手
空调系统
采矿
化工
手机版
当前位置:
首页
>
资讯
>
机械设计资料
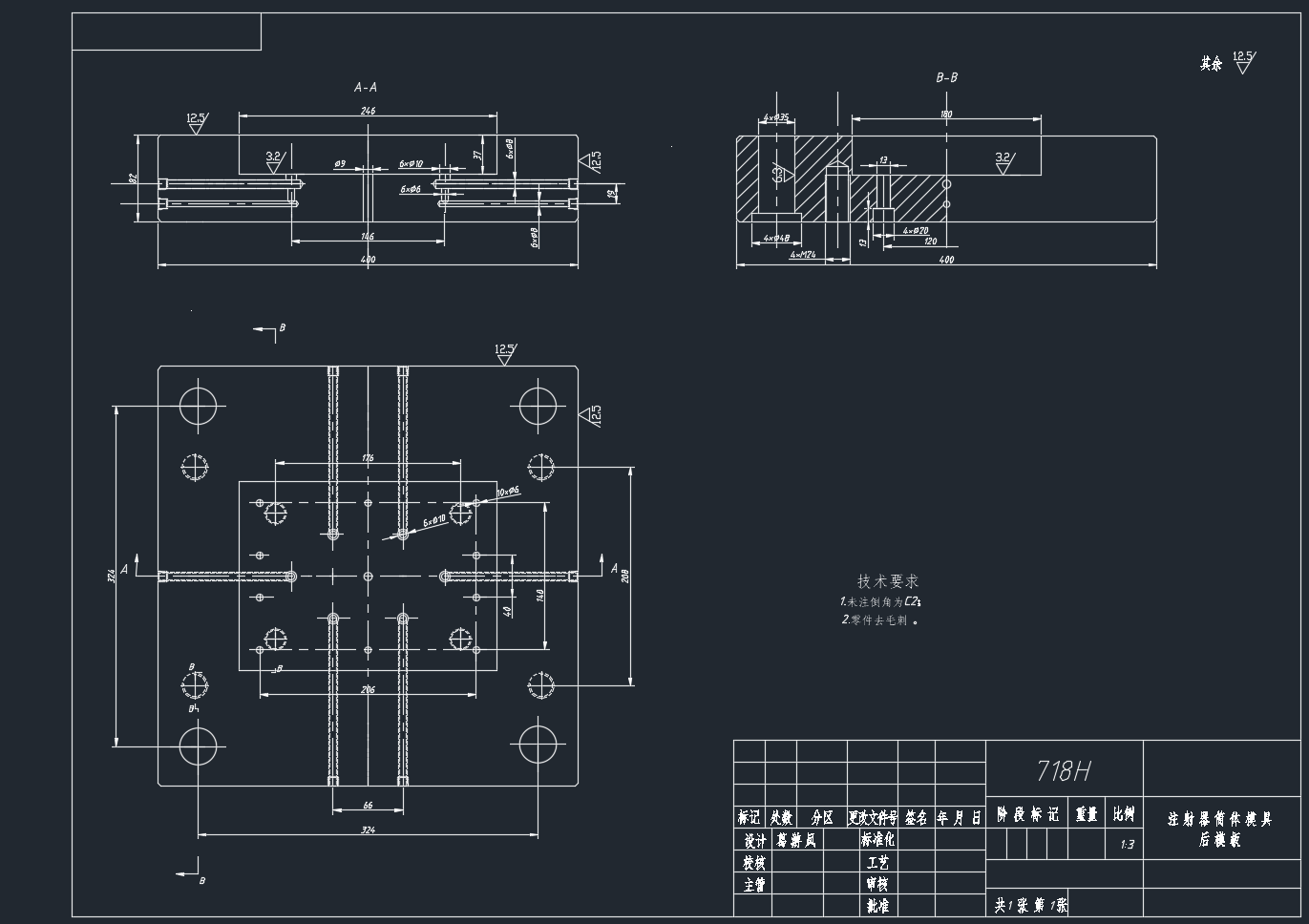
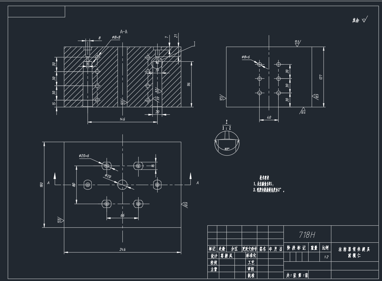
课程设计 医用注射器筒体注塑模具的设计(论文+CAD图纸+开题报告+文件综述+翻译+PPT……)
分类:
机械设计资料
时间:2025-12-23 12:29
浏览:4
内容
医用注射器筒体注塑模具的设计是一项综合性实践课题,其核心在于通过系统性的模具方案,确保筒体塑件的尺寸精度与功能可靠性。该设计过程涵盖了从制品分析、结构设计到工程出图的全流程,重点解决了如均匀壁厚控制、脱模顺畅性等关键工艺问题。配套的学习资料包内包含论文、图纸及演示文稿等实用资料,旨在为相关学习与设计工作提供参考。此处展示的图片为资料包内的部分内容截图,便于您在正式查阅前获得直观了解。请注意,这些专业资料需在对应的软件环境中才能进行完整浏览或进一步操作。
评论
[
展开所有评论
]
上一篇
速冻机修正版
下一篇
通风系统避灾路线示意图CAD图纸
全部
2D/3D/图纸
机械设计资料
收录软文
最近更新
1
雅马哈摩托车右曲轴箱加工工艺及夹具设计(论文+CAD图纸+工艺卡+开题报告)
2
轴向柱塞泵泵体加工生产线专机及主辅助设备(车基准机床及双头镗床液压系统设计)
3
本科毕业设计_轻型汽车驱动桥设计(论文+CAD图纸+pro三维+答辩PPT)
4
轴向柱塞泵体加工生产线专机及主要辅助设备多头钻床及攻丝机床液压系统设计
5
重型载货汽车驱动桥设计(UG三维简图+CAD图纸+论文)
6
轴向柱塞泵体加工生产线专机及主要设备多头钻床及攻丝机床液压系统设计(论文 CAD图纸 液压系统图 工序卡)
7
某中级轿车前轮制动器设计(论文+cad源图+solidworks三维图+ 开题、中期报告 中英文翻译)
8
转速盘器加工工艺及夹具设计全套毕业设计(论文+CAD图纸+工序卡+开题报告+任务书+外文翻译……)
9
转速器盘课程设计全套(论文+CAD图纸+工序卡+任务书+指导书+过程卡)
10
大型客车车身设计【含论文、catia三维、cad图纸、外文文献翻译】
买家指南
如何注册
如何购买
搜索商品
支付方式
卖家指南
如何出售
收费标准
入驻签约
安全交易
钓鱼防骗
预防盗号
谨防诈骗
实名认证
常见问题
如何充值
如何提现
真假客服
忘记密码
服务中心
我要咨询
我要建议
我要投诉
QQ客服
网站首页
|
关于我们
|
广告合作
|
联系我们
|
隐私条款
|
免责声明
|
网站地图
CopyRight 2014-2024 设计帮帮网 |
闽ICP备2024057214号
咨询热线
优先咨询网站“在线客服”,若不在线请在电脑端“工单管理””发起工单”