您好!欢迎来到
设计帮帮网
!
注册
登录
账号登录
QQ登录
支付宝登录
微信登录
短信登录
ID:
余额:
0.00
元
积分:
0
积分
充值
签到
已签到
提现
安全
认证
收藏
退出登录
网站首页
手机版
网站公告
帮助中心
工单管理
管理中心
财务管理
在线充值
快速提现
提现历史
财务明细
积分明细
我是买家
购物车
发布需求
需求管理
买入订单
建立自助交易
我是卖家
发布出售
商品管理
售出订单
建立自助交易
店铺管理
商家保证金
帮助咨询
帮助中心
投诉建议
联系客服
关于我们
用户管理
基本资料
认证中心
我的收藏
用户等级
账户安全
修改密码
登录记录
安全退出
https://web.sjbb168.com/
商品
商品
店铺
资讯
热门搜索:
自定义的
免费发布需求
免费发布任务
建立自助交易
免费发布商品
11
全部商品分类
2D/3D/图纸
分组:
机械设备
交通运输
换热器
泵
生产线/流水线
减速机/减速器
车库
电动机/发电机/柴油机
布局图/布置图
机器人/机械手
精馏塔/发酵罐/锅炉
反应釜/反应器/反应罐
其它
机械设计资料
分组:
毕业设计/课程设计
图纸
文档
其它
模具设计资料
分组:
模具毕业设计/课程设计
说明书/论文
图档
其它
车辆设计资料
分组:
毕业设计/课程设计
图纸
文档
其它
采矿工程资料
分组:
毕业设计/课程设计
图纸/文档
其它
食品/化工/制药
分组:
毕业设计/课程设计
说明书/论文/图纸
其它
土木/建筑/资料
分组:
毕业设计/课程设计
图纸/文档/资料
其它
电气/PLC/单片机
分组:
毕业设计/课程设计
说明书/论文
图纸/CAD
其它
给排水/污水处理
分组:
毕业设计/课程设计
图纸/文档
水利/暖通/供换热
分组:
毕业设计/课程设计
CAD图纸
文档资料
其它
技术资料/其它
分组:
工具/软件/动画
参考资料
文档资料
勘察报告
其它
首页
机械
车辆
模具
土木
PLC
减速器
机器人
机械手
空调系统
采矿
化工
手机版
当前位置:
首页
>
资讯
>
机械设计资料
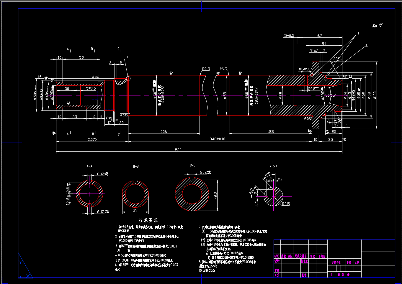
工艺夹具-CG6125主轴加工工艺及夹具设计(论文+CAD图纸+开题报告+任务书+工序卡……)
分类:
机械设计资料
时间:2025-12-17 23:31
浏览:10
内容
针对CG6125主轴加工工艺及夹具的设计,其核心在于制定一套合理高效的工艺流程,并配以专用夹具,以确保该关键零件的加工精度与稳定性。工艺规程详细规划了从毛坯到成品的各道工序,而夹具设计则着重解决装夹定位问题,有效提升加工质量与效率。为便于各位读者更全面、直观地了解本题所涉及学习资料的整体情况,当前页面所展示的所有图片均源自与本题目配套资源包部分片段或局部内容的截图。这些图片旨在帮助大家在正式使用前,对资料的基本类型、内容组成及文档结构形成清晰的初步认识,以供参考和预览。需要特别说明的是,资源包中专业资料需在相应的软件环境中才能完整浏览、编辑或进行后续操作。
评论
[
展开所有评论
]
上一篇
工艺夹具-CA1340杠杆工艺规程及铣槽夹具设计(说明书+CAD图纸+工序卡)
下一篇
工艺夹具-CQM6132主轴前轴承加工工艺及夹具设计
全部
2D/3D/图纸
机械设计资料
收录软文
最近更新
1
汽车S型凸轮鼓式制动器间隙自动调整臂与整车的匹配研究
2
汽车主减速器毕业设计全套
3
送料量调整输送装置设计自动量调整带式输送机【论文、CAD图纸、开题报告、任务书、solidworks三维图、仿真视频】
4
送料量调整输送装置设计自动量调整带式输送机【论文、CAD图纸、开题报告、任务书、solidworks三维图、仿真视频】
5
汽车制动系统设计(说明书+CAD图纸+开题报告+任务书+翻译……)
6
玉米钵苗移栽打穴机构设计【农业机械】【solidworks三维+13张cad图纸+毕业论文+答辩稿】
7
汽车卸胎器的设计与仿真(论文+CAD图纸+proe三维图+答辩PPT……)
8
微型载货汽车盘式制动器设计【毕业论文+cad图纸+开题报告+任务书……】
9
汽车发动机油路测量设备的机构设计(论文+CAD图纸+开题报告+任务书)
10
差速器行星齿轮机加工工艺及工序卡
买家指南
如何注册
如何购买
搜索商品
支付方式
卖家指南
如何出售
收费标准
入驻签约
安全交易
钓鱼防骗
预防盗号
谨防诈骗
实名认证
常见问题
如何充值
如何提现
真假客服
忘记密码
服务中心
我要咨询
我要建议
我要投诉
QQ客服
网站首页
|
关于我们
|
广告合作
|
联系我们
|
隐私条款
|
免责声明
|
网站地图
CopyRight 2014-2024 设计帮帮网 |
闽ICP备2024057214号
咨询热线
优先咨询网站“在线客服”,若不在线请在电脑端“工单管理””发起工单”