您好!欢迎来到
设计帮帮网
!
注册
登录
账号登录
QQ登录
支付宝登录
微信登录
短信登录
ID:
余额:
0.00
元
积分:
0
积分
充值
签到
已签到
提现
安全
认证
收藏
退出登录
网站首页
手机版
网站公告
帮助中心
工单管理
管理中心
财务管理
在线充值
快速提现
提现历史
财务明细
积分明细
我是买家
购物车
发布需求
需求管理
买入订单
建立自助交易
我是卖家
发布出售
商品管理
售出订单
建立自助交易
店铺管理
商家保证金
帮助咨询
帮助中心
投诉建议
联系客服
关于我们
用户管理
基本资料
认证中心
我的收藏
用户等级
账户安全
修改密码
登录记录
安全退出
https://web.sjbb168.com/
商品
商品
店铺
资讯
热门搜索:
自定义的
免费发布需求
免费发布任务
建立自助交易
免费发布商品
11
全部商品分类
2D/3D/图纸
分组:
机械设备
交通运输
换热器
泵
生产线/流水线
减速机/减速器
车库
电动机/发电机/柴油机
布局图/布置图
机器人/机械手
精馏塔/发酵罐/锅炉
反应釜/反应器/反应罐
其它
机械设计资料
分组:
毕业设计/课程设计
图纸
文档
其它
模具设计资料
分组:
模具毕业设计/课程设计
说明书/论文
图档
其它
车辆设计资料
分组:
毕业设计/课程设计
图纸
文档
其它
采矿工程资料
分组:
毕业设计/课程设计
图纸/文档
其它
食品/化工/制药
分组:
毕业设计/课程设计
说明书/论文/图纸
其它
土木/建筑/资料
分组:
毕业设计/课程设计
图纸/文档/资料
其它
电气/PLC/单片机
分组:
毕业设计/课程设计
说明书/论文
图纸/CAD
其它
给排水/污水处理
分组:
毕业设计/课程设计
图纸/文档
水利/暖通/供换热
分组:
毕业设计/课程设计
CAD图纸
文档资料
其它
技术资料/其它
分组:
工具/软件/动画
参考资料
文档资料
勘察报告
其它
首页
机械
车辆
模具
土木
PLC
减速器
机器人
机械手
空调系统
采矿
化工
手机版
当前位置:
首页
>
资讯
>
机械设计资料
三级减速器设计【CAD+说明书】
分类:
机械设计资料
时间:2025-12-10 06:43
浏览:8
内容
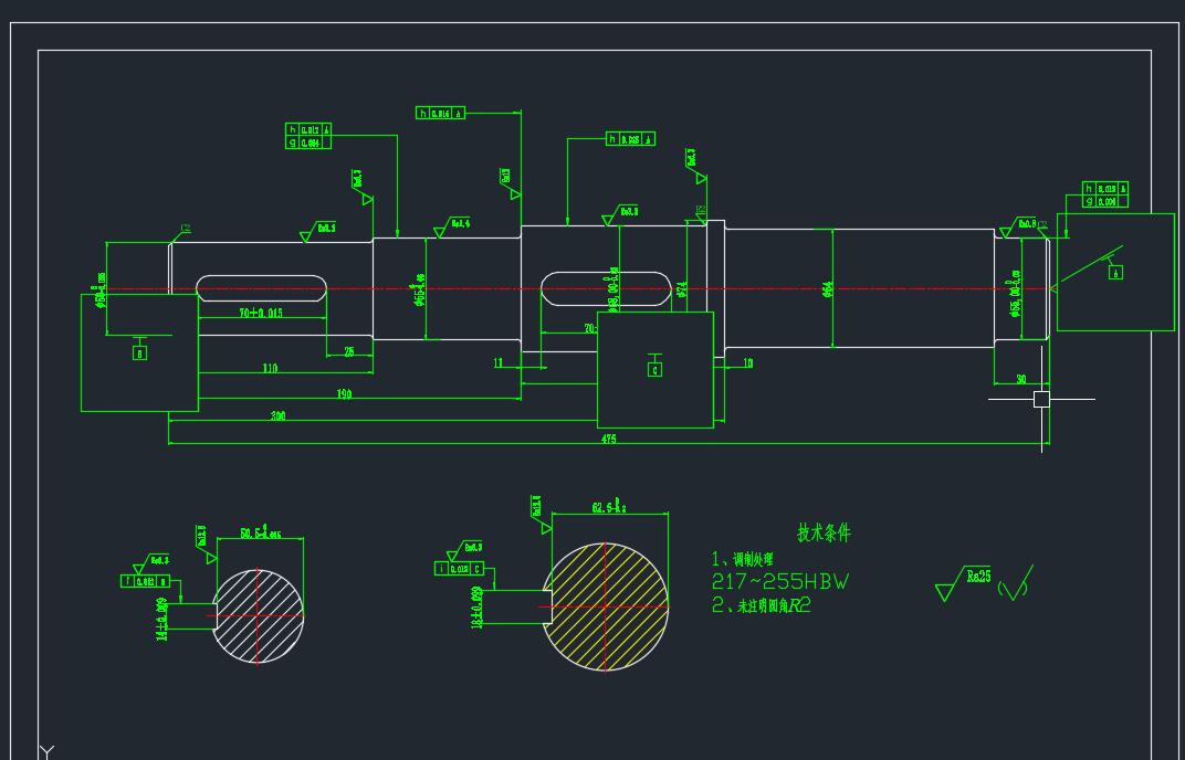
三级减速器设计包含CAD图纸与说明书,是机械传动学习的经典实例。这类资料直观展示了从传动比分配、轴系结构到箱体布局的全套设计流程。通过配套的CAD文件,可以清晰查看各级齿轮、轴及轴承的装配关系与细节。说明书则系统阐述了设计计算、材料选择及润滑等关键环节。为便于预览,当前页面图片均截取自该学习资料包,展示了部分图纸与文档片段。这些实用资料需在CAD软件中打开,才能进行完整查看与应用参考。
评论
[
展开所有评论
]
上一篇
三级减速器毕业设计(说明书+装配图+零件图)
下一篇
三自由度圆柱坐标型工业机器人设计(论文+DWG图纸+任务书+三维图和动画图+幻灯片)
全部
2D/3D/图纸
机械设计资料
收录软文
最近更新
1
汽车曲柄连杆机构毕业设计(说明书+图纸)
2
一次性拖鞋自动下料系统设计超声波热熔裁剪机设计【论文+CAD图纸+solidworks三维+开题报告+任务书+实习调研报
3
汽车曲柄连杆机构设计
4
19米LS型螺旋输送机设计【说明书+CAD图纸+开题报告+外文翻译】
5
汽车毕业设计—制动器
6
(工艺)CA6140车床后托架加工工艺及夹具设计(论文+CAD图纸+开题报告+任务书+外文翻译……)
7
汽车电动助力转向系统的设计
8
一级圆柱斜齿减速器课程设计(设计说明书+1张装配图)
9
汽车离合器设计(论文 CAD图纸)
10
铸造车间混砂机的传动装置设计【solidworks三维+cad图纸+毕业论文】
买家指南
如何注册
如何购买
搜索商品
支付方式
卖家指南
如何出售
收费标准
入驻签约
安全交易
钓鱼防骗
预防盗号
谨防诈骗
实名认证
常见问题
如何充值
如何提现
真假客服
忘记密码
服务中心
我要咨询
我要建议
我要投诉
QQ客服
网站首页
|
关于我们
|
广告合作
|
联系我们
|
隐私条款
|
免责声明
|
网站地图
CopyRight 2014-2024 设计帮帮网 |
闽ICP备2024057214号
咨询热线
优先咨询网站“在线客服”,若不在线请在电脑端“工单管理””发起工单”