您好!欢迎来到
设计帮帮网
!
注册
登录
账号登录
QQ登录
支付宝登录
微信登录
短信登录
ID:
余额:
0.00
元
积分:
0
积分
充值
签到
已签到
提现
安全
认证
收藏
退出登录
网站首页
手机版
网站公告
帮助中心
工单管理
管理中心
财务管理
在线充值
快速提现
提现历史
财务明细
积分明细
我是买家
购物车
发布需求
需求管理
买入订单
建立自助交易
我是卖家
发布出售
商品管理
售出订单
建立自助交易
店铺管理
商家保证金
帮助咨询
帮助中心
投诉建议
联系客服
关于我们
用户管理
基本资料
认证中心
我的收藏
用户等级
账户安全
修改密码
登录记录
安全退出
https://web.sjbb168.com/
商品
商品
店铺
资讯
热门搜索:
自定义的
免费发布需求
免费发布任务
建立自助交易
免费发布商品
11
全部商品分类
2D/3D/图纸
分组:
机械设备
交通运输
换热器
泵
生产线/流水线
减速机/减速器
车库
电动机/发电机/柴油机
布局图/布置图
机器人/机械手
精馏塔/发酵罐/锅炉
反应釜/反应器/反应罐
其它
机械设计资料
分组:
毕业设计/课程设计
图纸
文档
其它
模具设计资料
分组:
模具毕业设计/课程设计
说明书/论文
图档
其它
车辆设计资料
分组:
毕业设计/课程设计
图纸
文档
其它
采矿工程资料
分组:
毕业设计/课程设计
图纸/文档
其它
食品/化工/制药
分组:
毕业设计/课程设计
说明书/论文/图纸
其它
土木/建筑/资料
分组:
毕业设计/课程设计
图纸/文档/资料
其它
电气/PLC/单片机
分组:
毕业设计/课程设计
说明书/论文
图纸/CAD
其它
给排水/污水处理
分组:
毕业设计/课程设计
图纸/文档
水利/暖通/供换热
分组:
毕业设计/课程设计
CAD图纸
文档资料
其它
技术资料/其它
分组:
工具/软件/动画
参考资料
文档资料
勘察报告
其它
首页
机械
车辆
模具
土木
PLC
减速器
机器人
机械手
空调系统
采矿
化工
手机版
当前位置:
首页
>
资讯
>
机械设计资料
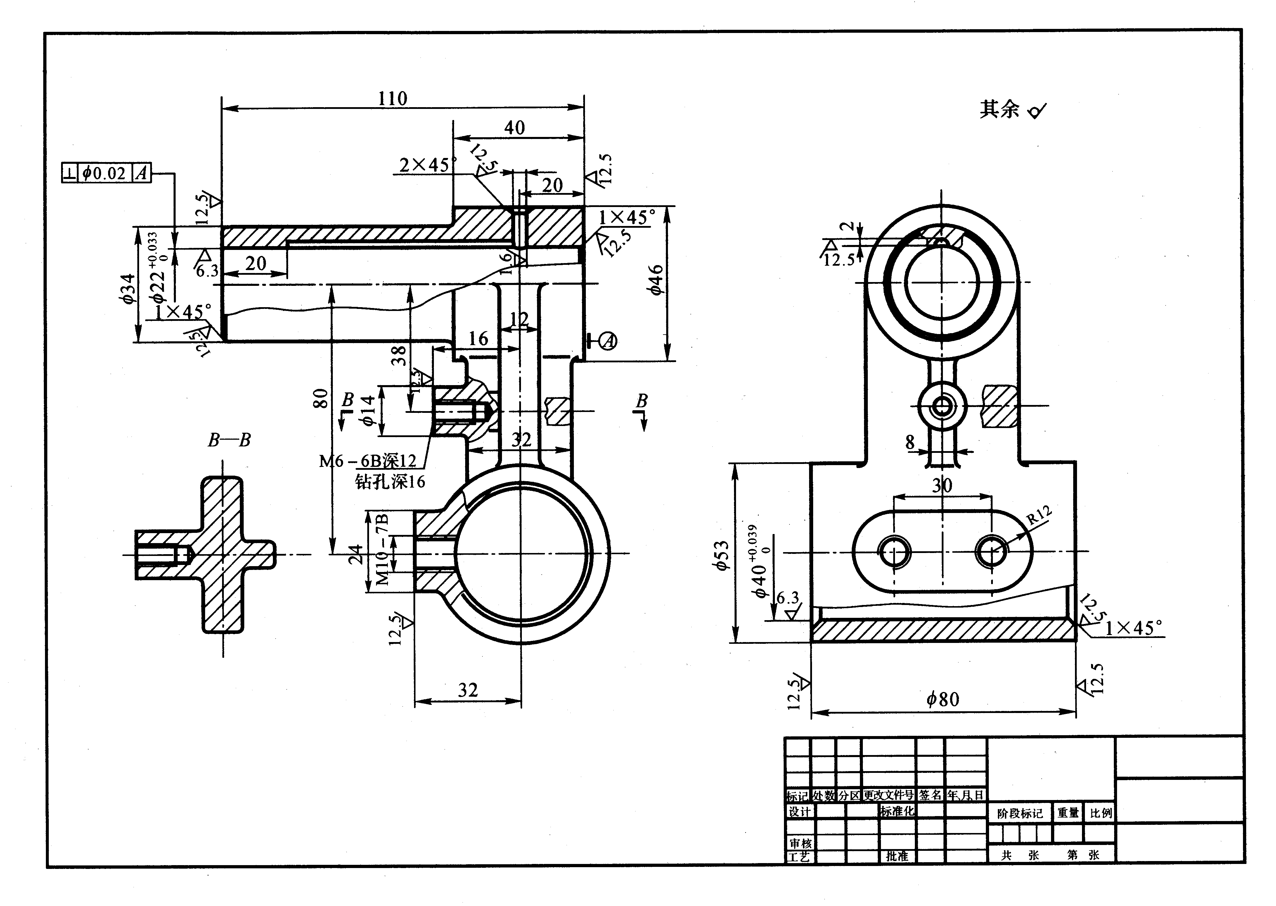
十字接头零件分析(论文+DWG图纸)
分类:
机械设计资料
时间:2025-12-09 12:00
浏览:9
内容
十字接头作为关键连接件,其设计与分析直接影响结构可靠性。一份详实的论文结合配套图纸,能系统阐述其受力特点、失效形式及优化方向。图纸以DWG格式呈现,清晰展示了接头的几何构造、尺寸与装配关系,为深入理解提供了直观依据。当前页面图片均取自配套学习资料包,展示了资料的部分内容与文档结构,便于大家在查阅前形成整体认识。请注意,这些专业文件需在对应软件环境中才能进行完整操作与使用。
评论
[
展开所有评论
]
上一篇
十字头零件的机械加工工艺规程及工装夹具设计 (论文+CAD图纸+任务书+过程卡+工序卡+外文翻译+参考文献……)
下一篇
十字轴中心孔及油道钻床毕业设计(论文+CAD图纸)
全部
2D/3D/图纸
机械设计资料
收录软文
最近更新
1
汽车-制动器毕业设计全套资料
2
农作物秸秆颗粒成型机的结构设计【秸秆压缩成型机】【说明书+CAD图纸+SW三维+开题报告+任务书+外文翻译+动画】
3
汽车-轿车五档变速器设计
4
饲草打包机的设计及其三维造型【农业机械】(论文+5张cad图纸+solidworks三维+动画+答辩】
5
汽车S型凸轮鼓式制动器间隙自动调整臂与整车的匹配研究
6
汽车主减速器毕业设计全套
7
送料量调整输送装置设计自动量调整带式输送机【论文、CAD图纸、开题报告、任务书、solidworks三维图、仿真视频】
8
送料量调整输送装置设计自动量调整带式输送机【论文、CAD图纸、开题报告、任务书、solidworks三维图、仿真视频】
9
汽车制动系统设计(说明书+CAD图纸+开题报告+任务书+翻译……)
10
玉米钵苗移栽打穴机构设计【农业机械】【solidworks三维+13张cad图纸+毕业论文+答辩稿】
买家指南
如何注册
如何购买
搜索商品
支付方式
卖家指南
如何出售
收费标准
入驻签约
安全交易
钓鱼防骗
预防盗号
谨防诈骗
实名认证
常见问题
如何充值
如何提现
真假客服
忘记密码
服务中心
我要咨询
我要建议
我要投诉
QQ客服
网站首页
|
关于我们
|
广告合作
|
联系我们
|
隐私条款
|
免责声明
|
网站地图
CopyRight 2014-2024 设计帮帮网 |
闽ICP备2024057214号
咨询热线
优先咨询网站“在线客服”,若不在线请在电脑端“工单管理””发起工单”