您好!欢迎来到
设计帮帮网
!
注册
登录
账号登录
QQ登录
支付宝登录
微信登录
短信登录
ID:
余额:
0.00
元
积分:
0
积分
充值
签到
已签到
提现
安全
认证
收藏
退出登录
网站首页
手机版
网站公告
帮助中心
工单管理
管理中心
财务管理
在线充值
快速提现
提现历史
财务明细
积分明细
我是买家
购物车
发布需求
需求管理
买入订单
建立自助交易
我是卖家
发布出售
商品管理
售出订单
建立自助交易
店铺管理
商家保证金
帮助咨询
帮助中心
投诉建议
联系客服
关于我们
用户管理
基本资料
认证中心
我的收藏
用户等级
账户安全
修改密码
登录记录
安全退出
https://web.sjbb168.com/
商品
商品
店铺
资讯
热门搜索:
自定义的
免费发布需求
免费发布任务
建立自助交易
免费发布商品
11
全部商品分类
2D/3D/图纸
分组:
机械设备
交通运输
换热器
泵
生产线/流水线
减速机/减速器
车库
电动机/发电机/柴油机
布局图/布置图
机器人/机械手
罐/发酵罐/反应罐/搅拌罐/储罐/油罐
反应釜/反应器/精馏塔/换热器/冷却器/冷凝器
其它
机械设计资料
分组:
毕业设计/课程设计
图纸
文档
其它
模具设计资料
分组:
模具毕业设计/课程设计
说明书/论文
图档
其它
车辆设计资料
分组:
毕业设计/课程设计
图纸
文档
其它
采矿工程资料
分组:
毕业设计/课程设计
图纸/文档
其它
食品/化工/制药
分组:
毕业设计/课程设计
说明书/论文/图纸
其它
土木/建筑/资料
分组:
毕业设计/课程设计
图纸/文档/资料
其它
电气/PLC/单片机
分组:
毕业设计/课程设计
说明书/论文
图纸/CAD
其它
给排水/污水处理
分组:
毕业设计/课程设计
图纸/文档
水利/暖通/供换热
分组:
毕业设计/课程设计
CAD图纸
文档资料
其它
技术资料/其它
分组:
工具/软件/动画
参考资料
文档资料
勘察报告
其它
首页
机械
车辆
模具
土木
PLC
减速器
机器人
机械手
空调系统
采矿
化工
手机版
当前位置:
首页
>
资讯
>
机械设计资料
基于三维的柴油机气缸盖组合钻床总体及左主轴箱设计【说明书 CAD图纸 proe三维 开题报告 任务书 外文翻译 实习报告 】
分类:
机械设计资料
时间:2026-02-11 07:10
浏览:30
内容
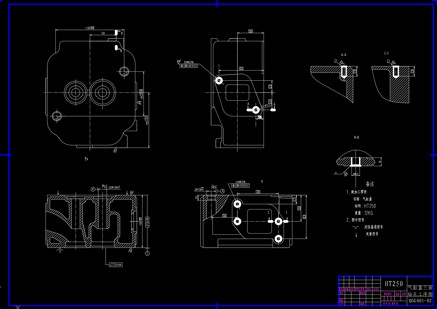
针对柴油机气缸盖这类复杂零件的多孔加工需求,三维驱动的组合钻床总体与左主轴箱设计提供了高效解决方案。总体布局依托三维模型进行优化,确保各部件协调。左主轴箱作为关键功能部件,其内部传动系统、齿轮排布及主轴结构均在三维环境中完成详细设计,实现了空间紧凑与刚性可靠。这套学习资料通过三维手段直观呈现了设计全貌,有效避免了干涉,对理解复杂专用机床的研发流程具有实用价值。
评论
[
展开所有评论
]
上一篇
垃圾与垃圾袋自动分离装置设计【论文、cad图纸、三维proe、仿真视频】
下一篇
多功能婴儿餐桌椅的设计【说明书+CAD+SOLIDWORKS】
全部
2D/3D/图纸
机械设计资料
收录软文
最近更新
1
手推离心式草坪播种机的设计【说明书+8张cad图+开题报告+中英文翻译】
2
rv320e机器人重型关节行星摆线减速传动装置研发【说明书 CAD图纸 solidworks三维图 开题报告 外文翻译】
3
cs20机型机器人关节谐波传动装置设计【说明书、CAD图纸、SW三维】
4
机用虎钳设计【论文+CAD图纸+SW三维+动画爆炸】
5
基于catia的牛肉嫩度检测仿真机械装置设计【论文+CAD图纸+CATIA三维+开题报告+任务书+外文翻译+文献综述+答
6
可变车宽移动机器人的设计与研究【三维solidworls、CAD图纸、毕业论文、运动仿真视频】
7
变速器部件三维数字化设计【任务书+说明书+CAD图纸+部分ug三维图】
8
无氟空调蜗轮塑料模设计【说明书+solidworks三维+CAD图纸+开提报告+任务书+数控编程及加工录像】
9
基于XKA5032A数控立式升降台铣床自动换刀装置的设计(论文+CAD图纸+开题报告+液压控制图+加工程序)
10
基于液压控制的冲床自动送料机的设计【说明书+CAD+外文翻译】
买家指南
如何注册
如何购买
搜索商品
支付方式
卖家指南
如何出售
收费标准
入驻签约
安全交易
钓鱼防骗
预防盗号
谨防诈骗
实名认证
常见问题
如何充值
如何提现
真假客服
忘记密码
服务中心
我要咨询
我要建议
我要投诉
QQ客服
网站首页
|
关于我们
|
广告合作
|
联系我们
|
隐私条款
|
免责声明
|
网站地图
CopyRight 2014-2024 设计帮帮网 |
闽ICP备2024057214号
咨询热线
优先咨询网站“在线客服”,若不在线请在电脑端“工单管理””发起工单”