您好!欢迎来到
设计帮帮网
!
注册
登录
账号登录
QQ登录
支付宝登录
微信登录
短信登录
ID:
余额:
0.00
元
积分:
0
积分
充值
签到
已签到
提现
安全
认证
收藏
退出登录
网站首页
手机版
网站公告
帮助中心
工单管理
管理中心
财务管理
在线充值
快速提现
提现历史
财务明细
积分明细
我是买家
购物车
发布需求
需求管理
买入订单
建立自助交易
我是卖家
发布出售
商品管理
售出订单
建立自助交易
店铺管理
商家保证金
帮助咨询
帮助中心
投诉建议
联系客服
关于我们
用户管理
基本资料
认证中心
我的收藏
用户等级
账户安全
修改密码
登录记录
安全退出
https://web.sjbb168.com/
商品
商品
店铺
资讯
热门搜索:
自定义的
免费发布需求
免费发布任务
建立自助交易
免费发布商品
11
全部商品分类
2D/3D/图纸
分组:
机械设备
交通运输
换热器
泵
生产线/流水线
减速机/减速器
车库
电动机/发电机/柴油机
布局图/布置图
机器人/机械手
罐/发酵罐/反应罐/搅拌罐/储罐/油罐
反应釜/反应器/精馏塔/换热器/冷却器/冷凝器
其它
机械设计资料
分组:
毕业设计/课程设计
图纸
文档
其它
模具设计资料
分组:
模具毕业设计/课程设计
说明书/论文
图档
其它
车辆设计资料
分组:
毕业设计/课程设计
图纸
文档
其它
采矿工程资料
分组:
毕业设计/课程设计
图纸/文档
其它
食品/化工/制药
分组:
毕业设计/课程设计
说明书/论文/图纸
其它
土木/建筑/资料
分组:
毕业设计/课程设计
图纸/文档/资料
其它
电气/PLC/单片机
分组:
毕业设计/课程设计
说明书/论文
图纸/CAD
其它
给排水/污水处理
分组:
毕业设计/课程设计
图纸/文档
水利/暖通/供换热
分组:
毕业设计/课程设计
CAD图纸
文档资料
其它
技术资料/其它
分组:
工具/软件/动画
参考资料
文档资料
勘察报告
其它
首页
机械
车辆
模具
土木
PLC
减速器
机器人
机械手
空调系统
采矿
化工
手机版
当前位置:
首页
>
资讯
>
机械设计资料
离心分离器结构设计及solidworks建模设计【说明书+CAD图SW三维+开题报告+任务书+中期报告】
分类:
机械设计资料
时间:2026-02-11 05:10
浏览:3
内容
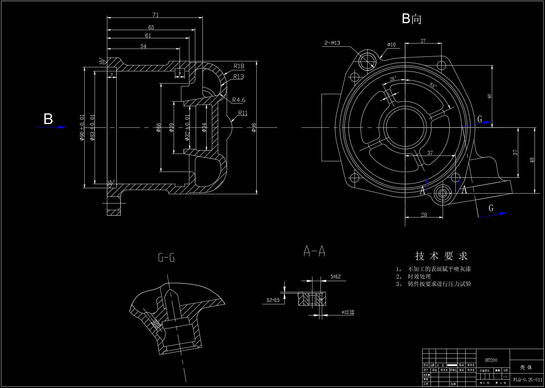
离心分离器的结构设计需兼顾分离效率与运行稳定性,核心在于转鼓、螺旋输送器等关键部件的精准计算与布局。通过三维建模,可在虚拟环境中直观验证结构合理性,进行干涉检查与质量评估,有效避免潜在设计缺陷。这一过程将传统设计与数字化验证紧密结合,显著缩短开发周期,并为后续步骤提供可靠依据。相关学习资料涵盖了从结构计算到模型构建的完整技术脉络,具有较高的实用参考价值。
评论
[
展开所有评论
]
上一篇
碾轮式混砂机的设计(说明书+CAD图纸+外文翻译)
下一篇
空间振动筛设计【说明书+CAD图纸+SW三维+任务书+中英文翻译文献】
全部
2D/3D/图纸
机械设计资料
收录软文
最近更新
1
4个自由度 连杆加工搬运机器人设计【说明书+CAD图纸+SW三维+中英文翻译文献+任务书】
2
CA6140车床拨叉零件的机械加工工艺及工艺设备(有cad源图861002)--课程设计
3
ca1040轻型货车驱动桥设计【说明书+CAD图纸+开题报告】
4
传动轴零件机械加工工艺规程及夹具设计【说明书+CAD图纸+工序卡+过程卡】
5
低温截止阀的设计【说明书+CAD+SOLIDWORKS】
6
农业机械 基于solidworks膜上滚筒栽植器的设计【论文+CAD图纸+SW三维】
7
减速机箱体镗孔专用工装设计及三维装配【说明书+CAD图纸+SW三维+18张工序卡+过程卡+中英文翻译文献+开题报告+任务书】
8
减速箱体工艺及铣上端面夹具设计【cad图纸+SW三维零件+19张工序卡+过程卡+说明书】
9
垃圾与垃圾袋自动分离装置设计【论文、cad图纸、三维proe、仿真视频】
10
基于三维的柴油机气缸盖组合钻床总体及左主轴箱设计【说明书 CAD图纸 proe三维 开题报告 任务书 外文翻译 实习报告 】
买家指南
如何注册
如何购买
搜索商品
支付方式
卖家指南
如何出售
收费标准
入驻签约
安全交易
钓鱼防骗
预防盗号
谨防诈骗
实名认证
常见问题
如何充值
如何提现
真假客服
忘记密码
服务中心
我要咨询
我要建议
我要投诉
QQ客服
网站首页
|
关于我们
|
广告合作
|
联系我们
|
隐私条款
|
免责声明
|
网站地图
CopyRight 2014-2024 设计帮帮网 |
闽ICP备2024057214号
咨询热线
优先咨询网站“在线客服”,若不在线请在电脑端“工单管理””发起工单”