您好!欢迎来到
设计帮帮网
!
注册
登录
账号登录
QQ登录
支付宝登录
微信登录
短信登录
ID:
余额:
0.00
元
积分:
0
积分
充值
签到
已签到
提现
安全
认证
收藏
退出登录
网站首页
手机版
网站公告
帮助中心
工单管理
管理中心
财务管理
在线充值
快速提现
提现历史
财务明细
积分明细
我是买家
购物车
发布需求
需求管理
买入订单
建立自助交易
我是卖家
发布出售
商品管理
售出订单
建立自助交易
店铺管理
商家保证金
帮助咨询
帮助中心
投诉建议
联系客服
关于我们
用户管理
基本资料
认证中心
我的收藏
用户等级
账户安全
修改密码
登录记录
安全退出
https://web.sjbb168.com/
商品
商品
店铺
资讯
热门搜索:
自定义的
免费发布需求
免费发布任务
建立自助交易
免费发布商品
11
全部商品分类
2D/3D/图纸
分组:
机械设备
交通运输
换热器
泵
生产线/流水线
减速机/减速器
车库
电动机/发电机/柴油机
布局图/布置图
机器人/机械手
罐/发酵罐/反应罐/搅拌罐/储罐/油罐
反应釜/反应器/精馏塔/换热器/冷却器/冷凝器
其它
机械设计资料
分组:
毕业设计/课程设计
图纸
文档
其它
模具设计资料
分组:
模具毕业设计/课程设计
说明书/论文
图档
其它
车辆设计资料
分组:
毕业设计/课程设计
图纸
文档
其它
采矿工程资料
分组:
毕业设计/课程设计
图纸/文档
其它
食品/化工/制药
分组:
毕业设计/课程设计
说明书/论文/图纸
其它
土木/建筑/资料
分组:
毕业设计/课程设计
图纸/文档/资料
其它
电气/PLC/单片机
分组:
毕业设计/课程设计
说明书/论文
图纸/CAD
其它
给排水/污水处理
分组:
毕业设计/课程设计
图纸/文档
水利/暖通/供换热
分组:
毕业设计/课程设计
CAD图纸
文档资料
其它
技术资料/其它
分组:
工具/软件/动画
参考资料
文档资料
勘察报告
其它
首页
机械
车辆
模具
土木
PLC
减速器
机器人
机械手
空调系统
采矿
化工
手机版
当前位置:
首页
>
资讯
>
机械设计资料
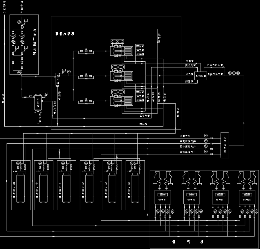
CNG加气站网架设计工艺流程图 CAD
分类:
机械设计资料
时间:2026-02-09 14:40
浏览:33
内容
CNG加气站网架设计工艺流程图,在CAD环境中绘制,是项目前期规划的关键环节。这张图直观展示了从基础定位、钢构件排布到管道与设备支撑结构的整体空间逻辑。它确保了网架与站内压缩机、储气瓶组及加气岛等设施精准对接,为后续施工提供了清晰的几何与力学依据。一份精准的流程图能有效协调各专业,避免现场冲突,显著提升建设效率。相关实用资料可供深入参考。
评论
[
展开所有评论
]
上一篇
CDⅠ型1吨电动葫芦全套CAD图纸(总装配图+部件装配图+零件图+标准件汇总表+明细表)
下一篇
DK18开式圆盘给料机
全部
2D/3D/图纸
机械设计资料
收录软文
最近更新
1
手推离心式草坪播种机的设计【说明书+8张cad图+开题报告+中英文翻译】
2
rv320e机器人重型关节行星摆线减速传动装置研发【说明书 CAD图纸 solidworks三维图 开题报告 外文翻译】
3
cs20机型机器人关节谐波传动装置设计【说明书、CAD图纸、SW三维】
4
机用虎钳设计【论文+CAD图纸+SW三维+动画爆炸】
5
基于catia的牛肉嫩度检测仿真机械装置设计【论文+CAD图纸+CATIA三维+开题报告+任务书+外文翻译+文献综述+答
6
可变车宽移动机器人的设计与研究【三维solidworls、CAD图纸、毕业论文、运动仿真视频】
7
变速器部件三维数字化设计【任务书+说明书+CAD图纸+部分ug三维图】
8
无氟空调蜗轮塑料模设计【说明书+solidworks三维+CAD图纸+开提报告+任务书+数控编程及加工录像】
9
基于XKA5032A数控立式升降台铣床自动换刀装置的设计(论文+CAD图纸+开题报告+液压控制图+加工程序)
10
基于液压控制的冲床自动送料机的设计【说明书+CAD+外文翻译】
买家指南
如何注册
如何购买
搜索商品
支付方式
卖家指南
如何出售
收费标准
入驻签约
安全交易
钓鱼防骗
预防盗号
谨防诈骗
实名认证
常见问题
如何充值
如何提现
真假客服
忘记密码
服务中心
我要咨询
我要建议
我要投诉
QQ客服
网站首页
|
关于我们
|
广告合作
|
联系我们
|
隐私条款
|
免责声明
|
网站地图
CopyRight 2014-2024 设计帮帮网 |
闽ICP备2024057214号
咨询热线
优先咨询网站“在线客服”,若不在线请在电脑端“工单管理””发起工单”