您好!欢迎来到
设计帮帮网
!
注册
登录
账号登录
QQ登录
支付宝登录
微信登录
短信登录
ID:
余额:
0.00
元
积分:
0
积分
充值
签到
已签到
提现
安全
认证
收藏
退出登录
网站首页
手机版
网站公告
帮助中心
工单管理
管理中心
财务管理
在线充值
快速提现
提现历史
财务明细
积分明细
我是买家
购物车
发布需求
需求管理
买入订单
建立自助交易
我是卖家
发布出售
商品管理
售出订单
建立自助交易
店铺管理
商家保证金
帮助咨询
帮助中心
投诉建议
联系客服
关于我们
用户管理
基本资料
认证中心
我的收藏
用户等级
账户安全
修改密码
登录记录
安全退出
https://web.sjbb168.com/
商品
商品
店铺
资讯
热门搜索:
自定义的
免费发布需求
免费发布任务
建立自助交易
免费发布商品
11
全部商品分类
2D/3D/图纸
分组:
机械设备
交通运输
换热器
泵
生产线/流水线
减速机/减速器
车库
电动机/发电机/柴油机
布局图/布置图
机器人/机械手
罐/发酵罐/反应罐/搅拌罐/储罐/油罐
反应釜/反应器/精馏塔/换热器/冷却器/冷凝器
其它
机械设计资料
分组:
毕业设计/课程设计
图纸
文档
其它
模具设计资料
分组:
模具毕业设计/课程设计
说明书/论文
图档
其它
车辆设计资料
分组:
毕业设计/课程设计
图纸
文档
其它
采矿工程资料
分组:
毕业设计/课程设计
图纸/文档
其它
食品/化工/制药
分组:
毕业设计/课程设计
说明书/论文/图纸
其它
土木/建筑/资料
分组:
毕业设计/课程设计
图纸/文档/资料
其它
电气/PLC/单片机
分组:
毕业设计/课程设计
说明书/论文
图纸/CAD
其它
给排水/污水处理
分组:
毕业设计/课程设计
图纸/文档
水利/暖通/供换热
分组:
毕业设计/课程设计
CAD图纸
文档资料
其它
技术资料/其它
分组:
工具/软件/动画
参考资料
文档资料
勘察报告
其它
首页
机械
车辆
模具
土木
PLC
减速器
机器人
机械手
空调系统
采矿
化工
手机版
当前位置:
首页
>
资讯
>
机械设计资料
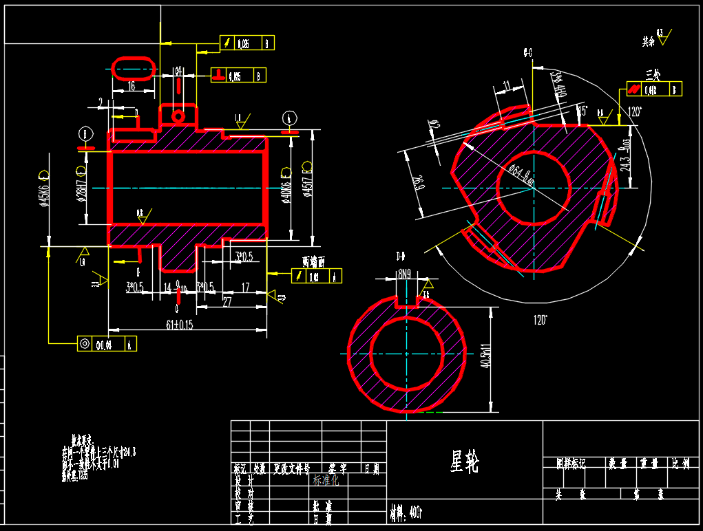
星轮加工艺及专用夹具设计(毕业设计说明书+CAD图纸+工序卡+过程卡)
分类:
机械设计资料
时间:2026-02-08 07:30
浏览:36
内容
星轮加工艺及专用夹具设计是机械类专业毕业设计的经典课题。它聚焦于如何高效、精准地加工星轮这一关键零件。工艺规程规划了从毛坯到成品的每一步加工路线,而专用夹具则为关键工序提供了稳定的定位与夹紧方案,直接保障加工精度与一致性。这套学习资料包含详细的设计计算、图纸及工艺文件,系统展示了如何通过工艺与工装的协同设计,显著缩短制造周期,并有效控制加工质量,具有很高的实用参考价值。
评论
[
展开所有评论
]
上一篇
PE-1200х1600颚式破碎机的设计(论文 cad图 开题报告 任务书 文献翻译)
下一篇
曲柄加工工艺及夹具设计(铣A面)【说明书+CAD图纸+SW三维图+工序卡+过程卡】
全部
2D/3D/图纸
机械设计资料
收录软文
最近更新
1
输送机-水平刮板输送机
2
输送机-带式输送机
3
输送机-TGSS-50型水平刮板输送机- 机头段设计
4
轻型独立回转液压凿岩机(说明书+CAD图纸)
5
轻卡板簧设计(论文+CAD图纸+CATIA三维图+SW图纸)
6
贴标机械手运动控制系统设计说明书(毕业设计)
7
设计叉杆零件的专用夹具课程设计
8
设计制定差速器零件的加工工 艺和设计12-ø12.5孔的钻床夹具
9
设计-插秧机系统设计
10
设计-MQ100 门式起重机总体
买家指南
如何注册
如何购买
搜索商品
支付方式
卖家指南
如何出售
收费标准
入驻签约
安全交易
钓鱼防骗
预防盗号
谨防诈骗
实名认证
常见问题
如何充值
如何提现
真假客服
忘记密码
服务中心
我要咨询
我要建议
我要投诉
QQ客服
网站首页
|
关于我们
|
广告合作
|
联系我们
|
隐私条款
|
免责声明
|
网站地图
CopyRight 2014-2024 设计帮帮网 |
闽ICP备2024057214号
咨询热线
优先咨询网站“在线客服”,若不在线请在电脑端“工单管理””发起工单”