收录软文
返回首页
会员中心
功能菜单
联系我们
https://web.sjbb168.com/
催化裂化图纸cad+pdf
来源: 阅读:51
网站管理员
发布于 2026-01-25 13:36
查看主页
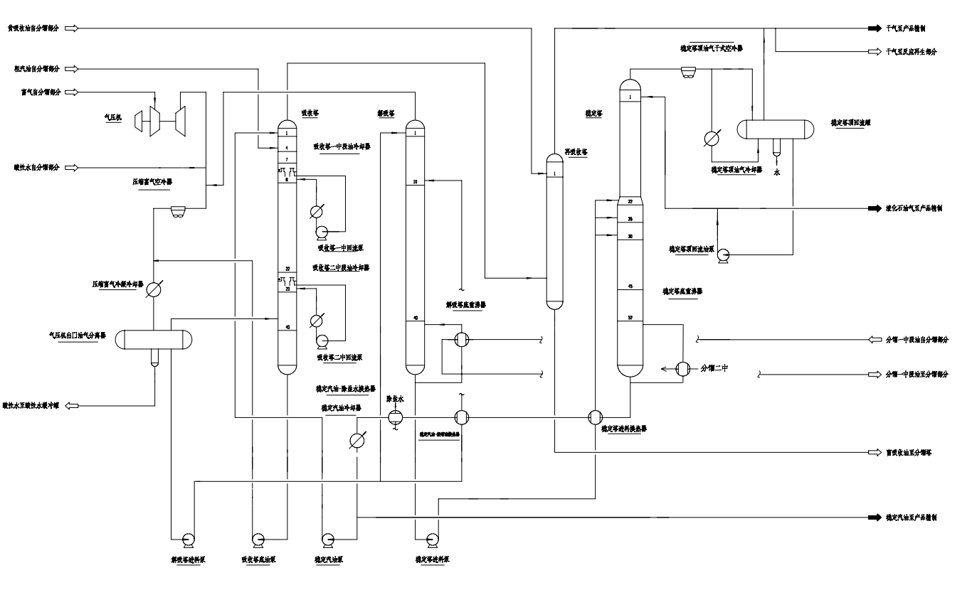
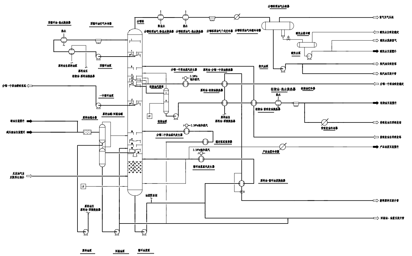
平时看催化裂化相关的图纸,cad格式能清晰展示设备的结构细节,方便放大查看每个部件的连接方式;pdf版本则适合快速浏览整体流程走向,不用安装专业软件也能随时翻阅。这两种格式的学习资料,能帮着把工艺里的设备布局、管线走向这些关键点理清楚,用起来确实顺手。
免责声明:本文为用户发表,不代表网站立场,仅供参考,不构成引导等用途。
收录软文
相关推荐
果园挖穴施肥机的设计【毕业论文+CAD图纸+solidworks三维+开题报告+任务书+答辩ppt】
02/03
31
蛙式打夯机设计【设计说明书+14张CAD图纸+三维proe】
02/05
42
六旋翼农用无人机设计【说明书+proe三维+7张cad图纸】
12/30
50
拨叉831007的工艺规程及铣上端面设计
01/30
37
总长1100米路基宽度为27m四车道说明及CAD图(公路路线平、纵、横设计,路基工程设计,路面工程设计,桥型、涵洞设计,施工组织设计)
02/07
30
首页
分类
购物车
消息
我的
想要更低价购买?
长按二维码,联系客服享优惠折扣
微信号:
yj99cn