收录软文
返回首页
会员中心
功能菜单
联系我们
https://web.sjbb168.com/
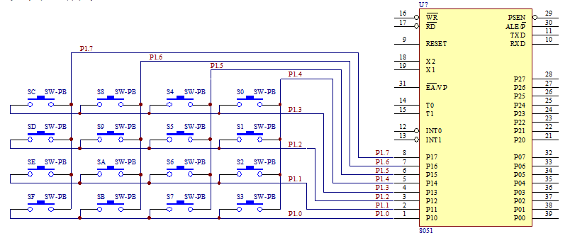
微型打印机控制电路的设计资料
来源: 阅读:57
网站管理员
发布于 2026-01-25 12:36
查看主页
微型打印机控制电路设计的实用资料,聚焦电路核心功能与实现逻辑。内容包含主控模块选型、打印头驱动电路设计、信号接口匹配等关键环节,清晰说明数据处理流程与各单元协同机制。通过典型电路拓扑分析,帮助理解如何稳定控制打印动作,减少信号干扰。资料注重基础原理与实践应用结合,能为相关设计提供参考,显著缩短研发周期。
免责声明:本文为用户发表,不代表网站立场,仅供参考,不构成引导等用途。
收录软文
相关推荐
气门摇臂轴支座生产线设计【说明书+CAD图纸+开题报告+任务书+过程卡、工序卡】
02/04
43
建筑面积为4665.6m2 上海某五层教学楼设计(建筑图、结构图、计算书、外文翻译、开题报告、任务书等资料)
02/01
55
ZDY3500L.钻机总图(CAD)
01/15
67
谐波传动齿轮减速器设计【10张cad图、设计说明书论文】
03/13
47
活性炭吸脱附+催化燃烧三维装配图(solidworks)
03/09
34
首页
分类
购物车
消息
我的
想要更低价购买?
长按二维码,联系客服享优惠折扣
微信号:
yj99cn