收录软文
返回首页
会员中心
功能菜单
联系我们
https://web.sjbb168.com/
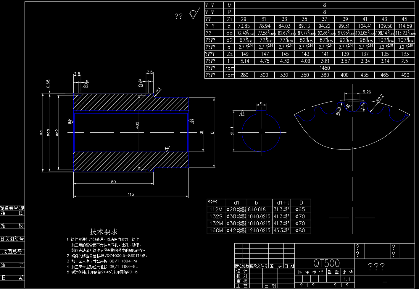
小带轮(同步带)——CAD
来源: 阅读:43
网站管理员
发布于 2026-01-12 13:59
查看主页
在同步带传动里,小带轮是动力传递的核心部件,直接影响传动精度和运行稳定性。用CAD设计时,能通过参数化建模精准调整齿形、直径等关键参数,确保与同步带完美啮合,减少传动误差。相关学习资料里有详细的设计要点,帮你快速掌握小带轮的结构优化方法。
免责声明:本文为用户发表,不代表网站立场,仅供参考,不构成引导等用途。
收录软文
相关推荐
CS回收冷凝器
03/20
13
轻型发动机进气歧管的工艺编制与典型工序夹具设计【说明书+CAD图纸+带proe三维+开题报告+任务书+工艺过程+答辩相关
03/12
24
200T转炉倾动机构设计【说明书+CAD图纸】
02/05
35
PE600X900颚式破碎机全套图共83张
01/14
51
数控机床位置精度及标准(论文 CAD图纸 开题报告 任务书……)
01/04
42
首页
分类
购物车
消息
我的
想要更低价购买?
长按二维码,联系客服享优惠折扣
微信号:
yj99cn