机械设计资料
返回首页
会员中心
功能菜单
联系我们
https://web.sjbb168.com/
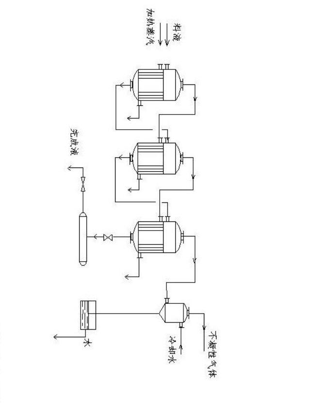
硝酸钾三效并流、KNO3水溶液三效并流加料蒸发装置设计(27页)
来源: 阅读:41
网站管理员
发布于 2026-02-08 19:00
查看主页
这套关于硝酸钾三效并流蒸发装置的学习资料,详细阐述了其核心工艺。它通过串联三个蒸发器,巧妙利用前效产生的二次蒸汽作为后效热源,从而大幅降低了新鲜蒸汽的消耗。这种并流加料方式能适应KNO3溶液随浓度升高沸点上升的特性,实现了热能的高效梯级利用。整个设计结构清晰,专注于流程配置与能效优化,为相关工艺的节能改进提供了极具价值的实用参考。
免责声明:本文为用户发表,不代表网站立场,仅供参考,不构成引导等用途。
机械设计资料
相关推荐
机械综合课程设计轴承端盖夹具的设计
01/21
48
组合专机-粗镗活塞销孔专用机床及夹具设计(机床生产率计算卡 说明书 CAD 液压原理图……)
04/04
17
四川某市某小区6层住宅楼施工组织设计(图纸,横道图和施工总平面图,论文,工程量计算)
01/29
56
秸秆气化自动上料系统设计【论文、CAD图纸、UG三维、x_t、STP、开题报告、任务书、中英文翻译文献、答辩】
02/04
43
风力发电机变桨减速器设计【全套32张CAD图+说明书+PPT】
03/28
33
首页
分类
购物车
消息
我的
想要更低价购买?
长按二维码,联系客服享优惠折扣
微信号:
yj99cn