机械设计资料
返回首页
会员中心
功能菜单
联系我们
https://web.sjbb168.com/
毕业设计_东风轻型货车转向系统设计
来源: 阅读:53
网站管理员
发布于 2026-02-06 04:30
查看主页
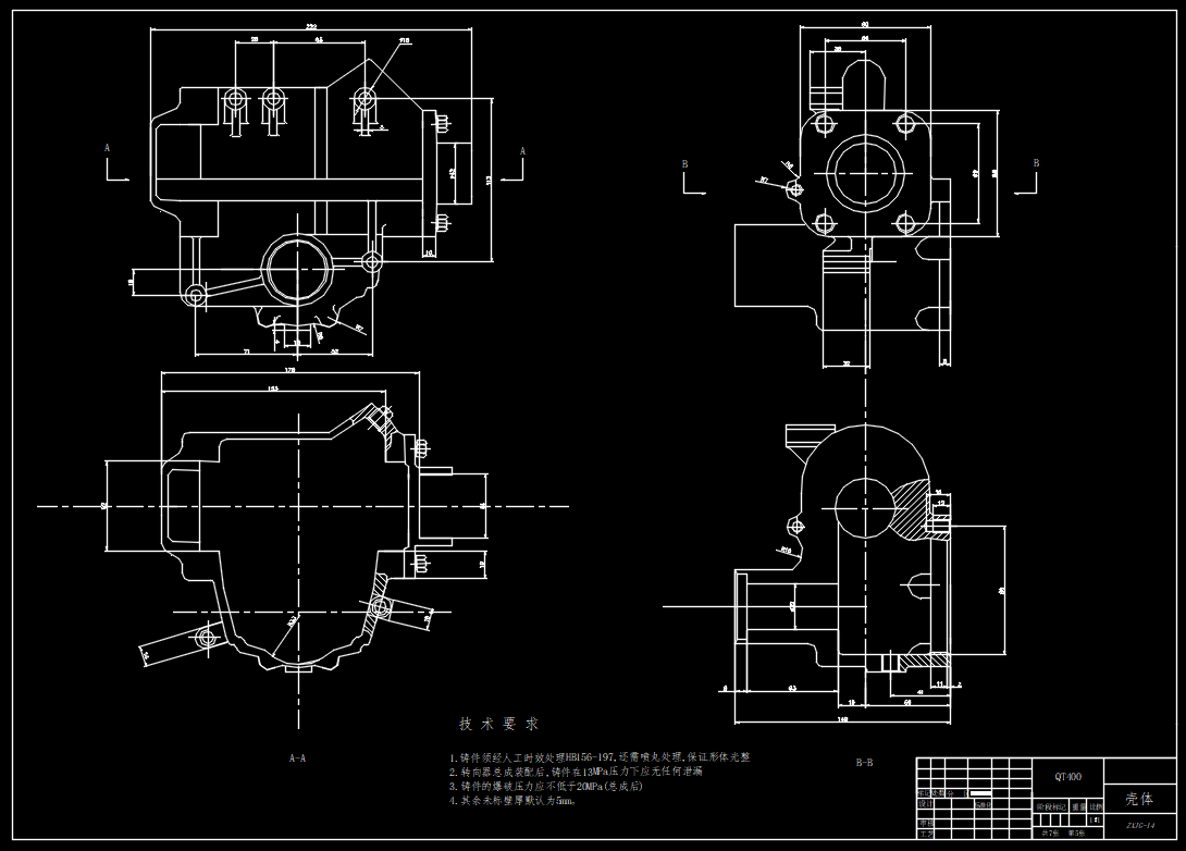
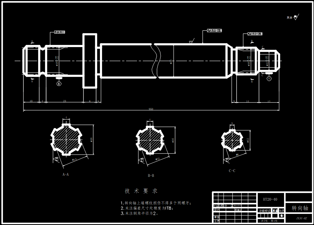
东风轻型货车的转向系统设计,直接关系到车辆的操控稳定性与行驶安全。其核心在于通过合理的结构布局与力学分析,确保转向轻便且路感清晰。设计过程着重考虑了转向传动比、力矩传递效率等关键因素,使系统在保证可靠性的同时,有效降低驾驶疲劳。相关的学习资料为深入理解机械转向系统设计提供了实用参考。
免责声明:本文为用户发表,不代表网站立场,仅供参考,不构成引导等用途。
机械设计资料
相关推荐
车用发动机齿轮油泵逆向设计【说明书、CAD图纸、ProE三维图、开题报告、任务书、外文翻译、过程管理材料】
02/03
46
水轮机内部结构三维图纸-STEP
12/23
70
CNC数控机床防护外壳SolidWorks设计 共有100多个零部件
02/10
57
稀油润滑液压系统设计【论文+CAD图纸(总装图A1+油箱装配图a2+油箱图a1+稀油润滑站系统图a3+过滤器支架A3+泵
01/05
67
4层2462.27平 湛江XX中学食堂建筑+结构
01/26
49
首页
分类
购物车
消息
我的
想要更低价购买?
长按二维码,联系客服享优惠折扣
微信号:
yj99cn