机械设计资料
返回首页
会员中心
功能菜单
联系我们
https://web.sjbb168.com/
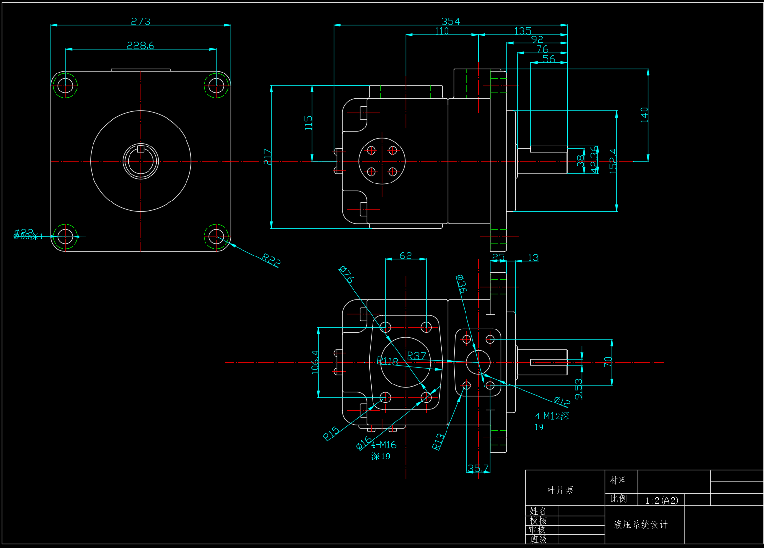
专用卧式铣床液压系统设计【论文+CAD图纸+开题报告+任务书+外文资料+文献综述+PPT】
来源: 阅读:8
网站管理员
发布于 2026-02-05 22:30
查看主页
专用卧式铣床液压系统的设计,关键在于实现工作台进给与夹紧的平稳可靠。这套系统通过合理的回路规划与元件选配,能提供充沛且可调的动力,确保铣削加工中的高精度与高效率。其核心在于压力与流量的精准控制,这直接关系到加工表面的质量与设备运行的稳定性。相关的学习资料涵盖了从理论计算到结构布局的完整过程,对深入理解机床液压传动具有重要参考价值。
免责声明:本文为用户发表,不代表网站立场,仅供参考,不构成引导等用途。
机械设计资料
相关推荐
方刀架的加工工艺及钻8-M12螺纹底孔夹具课程设计(设计说明书+5张CAD图纸+工序卡+过程卡)
02/03
8
手柄座[831015] 1-钻φ25孔(说明书+CAD图纸+工序卡+过程卡)
01/03
28
糖果枕式包装机总体设计及横封切断装置设计(设计说明书+8张CAD图纸)
02/06
10
实用微型客车设计-传动轴,变速器及操纵机构设计【说明书+2张CAD图纸+开题报告】
02/04
8
车床主传动系统设计(40-1800、12级)
01/31
23
首页
分类
购物车
消息
我的
想要更低价购买?
长按二维码,联系客服享优惠折扣
微信号:
yj99cn