机械设计资料
返回首页
会员中心
功能菜单
联系我们
https://web.sjbb168.com/
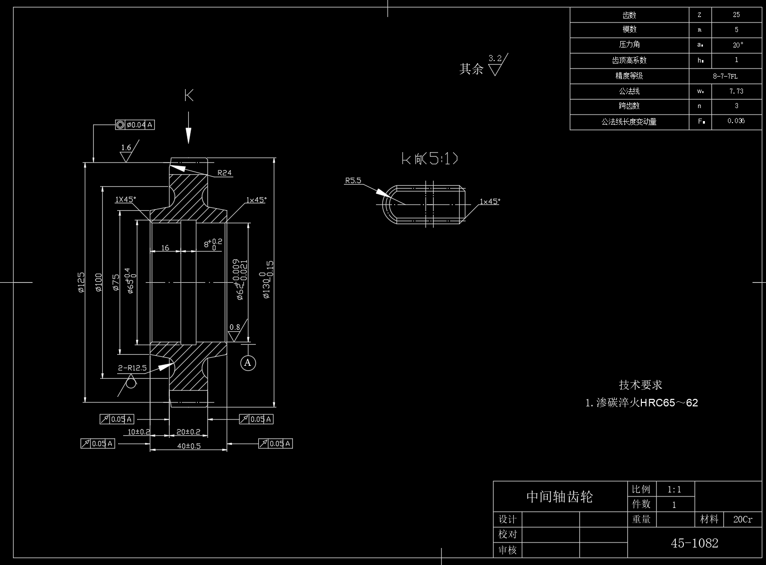
中间轴齿轮的夹具设计【说明书+CAD图纸+工序卡+过程卡】
来源: 阅读:8
网站管理员
发布于 2026-02-05 22:00
查看主页
中间轴齿轮的夹具设计,直接关系到加工精度与效率。一套好的夹具,能稳定夹持工件,确保齿轮齿形、位置度等关键尺寸在加工中始终受控。这离不开合理的定位与夹紧方案,既要防止变形,又要便于操作。相关的学习资料包含了从构思到验证的全过程,其中图纸清晰表达了结构,工序卡则规划了每一步的加工要点。这类实用资料展现了如何通过优化装夹来提升质量,并显著缩短制造周期。
免责声明:本文为用户发表,不代表网站立场,仅供参考,不构成引导等用途。
机械设计资料
相关推荐
JX104减速器锥柱二级传动(说明书+CAD图纸)
02/07
10
中风病人行走辅助机构 CAD图
01/30
15
输出轴夹具设计(课程设计说明书+任务书+CAD图纸+三维图 proe+step +x_t+SW……)
01/30
16
某6层教学楼全套设计(含计算书、建筑图,结构图)
01/26
18
工艺夹具-X6132主轴加工工艺及夹具设计
02/02
10
首页
分类
购物车
消息
我的
想要更低价购买?
长按二维码,联系客服享优惠折扣
微信号:
yj99cn