机械设计资料
返回首页
会员中心
功能菜单
联系我们
https://web.sjbb168.com/
枕式包装机的毕业设计(论文+CAD图纸+开题报告+任务书+翻译……)
来源: 阅读:7
网站管理员
发布于 2026-02-05 20:20
查看主页
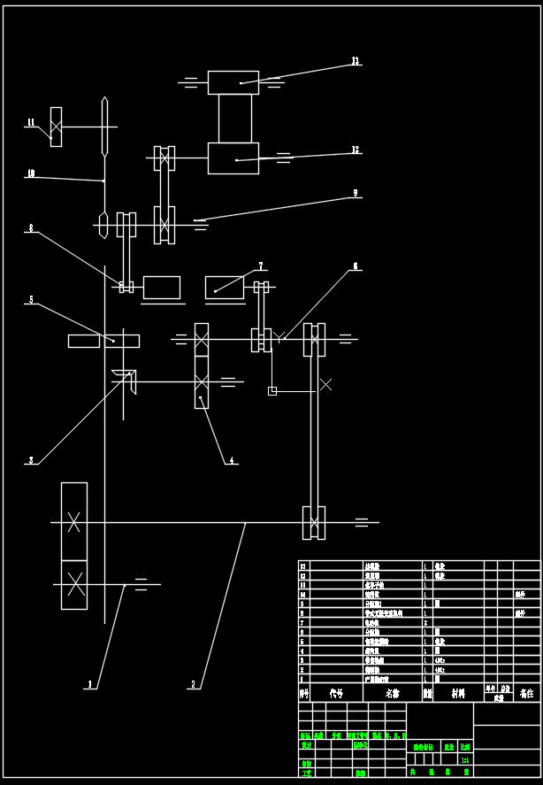
枕式包装机的毕业设计涵盖论文与图纸等多项内容,其核心在于通过系统性的机械结构与控制方案设计,实现物料自动送入、薄膜裹包与热封切断的连续作业。设计过程注重各执行机构的协调配合,以确保包装动作的精准与稳定。相关学习资料详细呈现了整机布局、关键部件构造及传动方案,对理解设备工作逻辑与设计要点具有实用参考价值。这类资料能帮助把握设计脉络,显著缩短前期研究周期,并避免因结构规划不当导致的零件数量过多问题。
免责声明:本文为用户发表,不代表网站立场,仅供参考,不构成引导等用途。
机械设计资料
相关推荐
CA6140拨叉831008机械加工工艺过程卡片
02/06
12
车架电泳喷漆涂装生产线布置图CAD图纸
01/23
26
商业楼深基坑支护设计(含计算书、全套图纸等资料下载)
01/26
15
械设计课程--带式运输机传动装置中的同轴式二级圆柱齿轮减速器
01/01
31
专用卧式铣床液压系统设计【论文+CAD图纸+开题报告+任务书+外文资料+文献综述+PPT】
02/05
8
首页
分类
购物车
消息
我的
想要更低价购买?
长按二维码,联系客服享优惠折扣
微信号:
yj99cn