收录软文
返回首页
会员中心
功能菜单
联系我们
https://web.sjbb168.com/
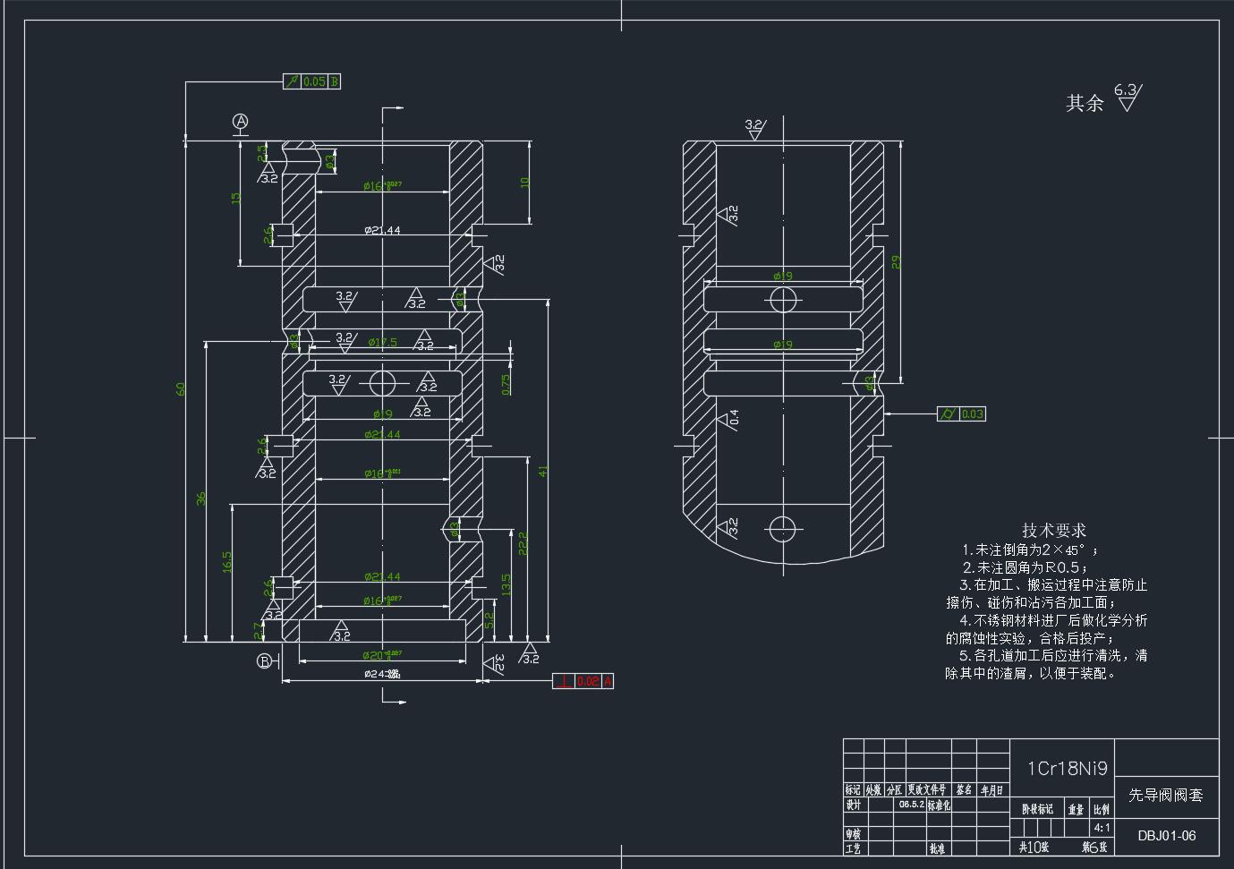
【HY-126】电液比例阀设计(论文+DWG图纸)
来源: 阅读:43
网站管理员
发布于 2026-02-05 05:36
查看主页
这份电液比例阀设计学习资料,包含设计论文与DWG图纸。通过电液比例控制技术,实现液压系统压力与流量的精准调节,有效提升系统动态响应特性。资料涵盖核心部件设计、装配工艺等关键内容,为相关设计提供清晰思路,助力缩短设计周期。
免责声明:本文为用户发表,不代表网站立场,仅供参考,不构成引导等用途。
收录软文
相关推荐
公路I级总长为140米四跨一联的预应力混凝土连续箱形梁桥计算书
01/27
48
CK6132数控车床的设计(说明书+CAD图纸)
02/07
59
联合花生收获机设计(设计说明书_论文+CAD图纸+solidworks三维图)2020
02/02
56
C618数控车床的主传动系统设计论文、英文翻译、开题报告及全套图纸
02/05
54
智能物流仓库 立体仓库3D模型(SolidWorks)
01/31
57
首页
分类
购物车
消息
我的
想要更低价购买?
长按二维码,联系客服享优惠折扣
微信号:
yj99cn