机械设计资料
返回首页
会员中心
功能菜单
联系我们
https://web.sjbb168.com/
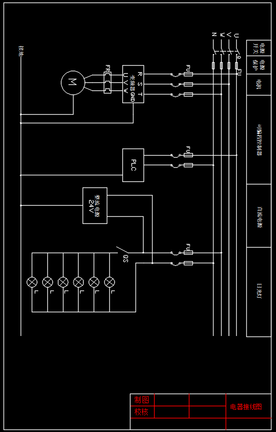
三翼自动旋转门设计【论文20000多字、11张CAD图纸(装配图、零件图、接线图、梯形图)、文献综述】
来源: 阅读:6
网站管理员
发布于 2026-02-04 22:30
查看主页
三翼自动旋转门的设计,其核心在于实现高效通行与可靠运行的平衡。整套学习资料包含详尽的论文阐述,以及多张涵盖结构、电气与控制逻辑的图纸。这些内容系统呈现了从机械结构优化到驱动控制集成的完整方案,重点解决了旋转平稳性、安全防护与能耗控制等关键问题。通过模块化设计思路,显著缩短了开发周期,并为后续的调整与维护提供了清晰的依据。这套实用资料为相关设计与研究提供了扎实的参考。
免责声明:本文为用户发表,不代表网站立场,仅供参考,不构成引导等用途。
机械设计资料
相关推荐
半喂入式水稻联合收割机割台设计(论文+CAD图纸+答辩) 备注:此份资料不包含三维图,只有三维截图
02/01
13
桥面净宽为净7+2×1.0m二级公路35m预应力T梁桥(计算表格、CAD图纸)
01/26
18
NGW二级行星齿轮减速器CAD图
01/23
75
课程设计实例-48000万吨乙醇-水精馏塔设计
02/07
5
70KW充电机CAD图纸
01/24
21
首页
分类
购物车
消息
我的
想要更低价购买?
长按二维码,联系客服享优惠折扣
微信号:
yj99cn