机械设计资料
返回首页
会员中心
功能菜单
联系我们
https://web.sjbb168.com/
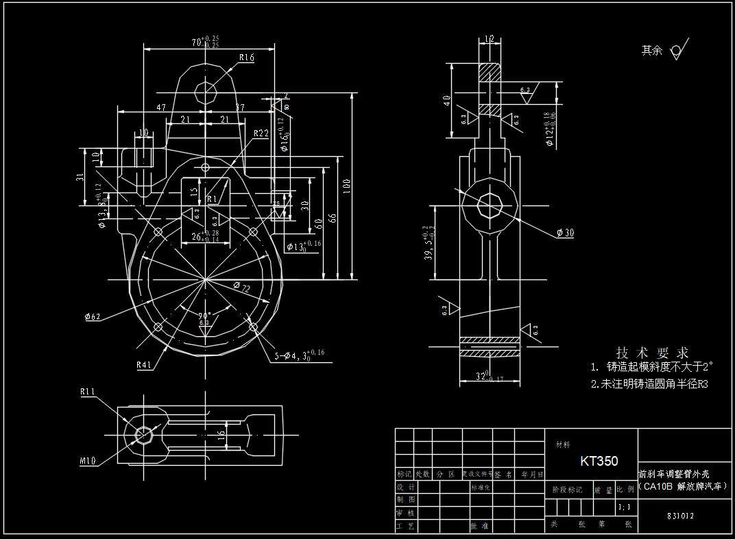
前刹车调整臂外壳加工工艺及铣φ12孔端面夹具设计【说明书+CAD图纸+工序卡+过程卡】
来源: 阅读:31
网站管理员
发布于 2026-02-04 20:00
查看主页
前刹车调整臂外壳的加工,关键在于高效精准地完成各道工序。其中,铣削φ12孔端面这一工位的夹具设计尤为紧要。这套夹具需要可靠地定位与夹紧毛坯,确保端面尺寸及位置精度,同时兼顾操作便捷与加工稳定性。合理的夹具结构能显著缩短装夹找正时间,提升加工一致性,是整个工艺流畅进行的重要保障。相关的学习资料详细阐述了这一专用夹具的设计思路与结构要点。
免责声明:本文为用户发表,不代表网站立场,仅供参考,不构成引导等用途。
机械设计资料
相关推荐
东北地区A市排水管网系统的设计和城市污水处理厂的设计【11张cad图纸、毕业论文】
02/15
37
冷却塔 HRFG-R-24271100-D-Y
01/31
37
CA10B前刹车调整臂外壳工艺及钻G1-8孔夹具设计【设计说明书+CAD图纸+CAD版本的工序卡及过程卡+三维SW】
12/19
54
002备胎器(335托板)总成
01/14
42
组合件的加工设计(论文+CAD图纸+工序卡+过程卡+程序)
01/31
32
首页
分类
购物车
消息
我的
想要更低价购买?
长按二维码,联系客服享优惠折扣
微信号:
yj99cn