机械设计资料
返回首页
会员中心
功能菜单
联系我们
https://web.sjbb168.com/
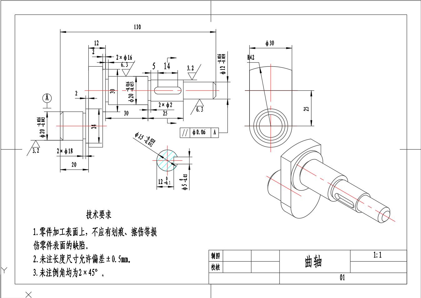
曲轴的UG三维造型与实体设计【论文+1个UG三维图+1张CAD图纸】
来源: 阅读:30
网站管理员
发布于 2026-02-04 17:10
查看主页
曲轴的UG三维造型与实体设计,是内燃机核心部件研发的关键环节。利用UG软件进行参数化建模,能够精确构建曲轴的主轴颈、连杆轴颈及平衡块等复杂几何形体。生成的实体模型可直接用于后续的有限元分析,以评估其结构强度。同时,基于三维模型关联生成的二维图纸,确保了设计数据的一致性与准确性。这套学习资料涵盖了从三维造型到工程出图的全流程,为相关设计与研究提供了实用的参考范例。
免责声明:本文为用户发表,不代表网站立场,仅供参考,不构成引导等用途。
机械设计资料
相关推荐
150ZJL-35 渣浆泵
02/25
30
空调用涡旋式压缩机结构设计(说明书+CAD图纸+UG三维模型+开题报告+实习报告+答辩PPT+外文翻译+文献综述)
12/19
56
倾斜式液压式升降平台设计(说明书+CAD图纸+开题报告+任务书+外文资料)
01/10
50
ASP.NET公交车管理系统的实现与设计(源代码+论文)
01/17
48
一级减速器箱盖图CAD图纸
01/17
42
首页
分类
购物车
消息
我的
想要更低价购买?
长按二维码,联系客服享优惠折扣
微信号:
yj99cn