收录软文
返回首页
会员中心
功能菜单
联系我们
https://web.sjbb168.com/
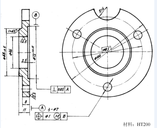
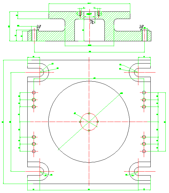
3×7缺口端盖夹具设计
来源: 阅读:31
网站管理员
发布于 2026-02-04 12:36
查看主页
针对3×7缺口端盖加工时的装夹难题,夹具采用模块化定位销与弹性夹紧机构组合设计。通过阶梯型定位面实现径向限位,配合可调节压块完成轴向固定,有效避免传统装夹导致的工件偏移与形变问题,显著提升加工稳定性与操作便捷性。相关学习资料包含详细结构拆解与应用案例,可为同类异形件装夹方案提供参考。
免责声明:本文为用户发表,不代表网站立场,仅供参考,不构成引导等用途。
收录软文
相关推荐
机械手-凸轮轴加工自动线机械手设计(说明书+CAD图纸+液压原理图+PLC原理图+时序与电磁铁动作周期表5……)
01/20
37
万向联轴器工艺规程设计(论文)
03/31
1
机械设计课程设计蜗杆减速器说明书封面任务计划书
03/29
5
全自动果蔬切丁(论文+CAD+solidworks+开题报告+任务书)
03/31
1
数控车床横向进给机构设计【毕业设计说明书(论文)+CAD图纸】
01/30
29
首页
分类
购物车
消息
我的
想要更低价购买?
长按二维码,联系客服享优惠折扣
微信号:
yj99cn