机械设计资料
返回首页
会员中心
功能菜单
联系我们
https://web.sjbb168.com/
动车组转向架三维实体仿真设计(设计说明书+SW三维+PDF二维+答辩稿+视频动画) 备注:此份资料不含CAD图纸
来源: 阅读:51
网站管理员
发布于 2026-02-03 23:30
查看主页
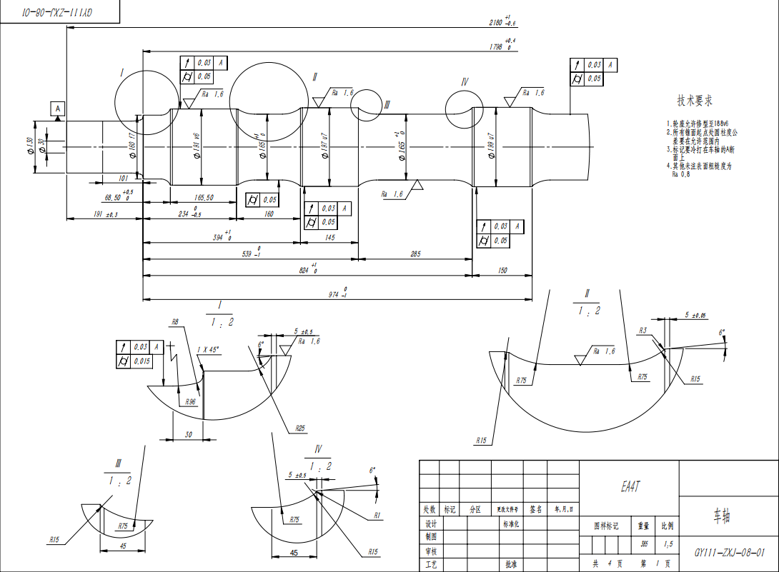
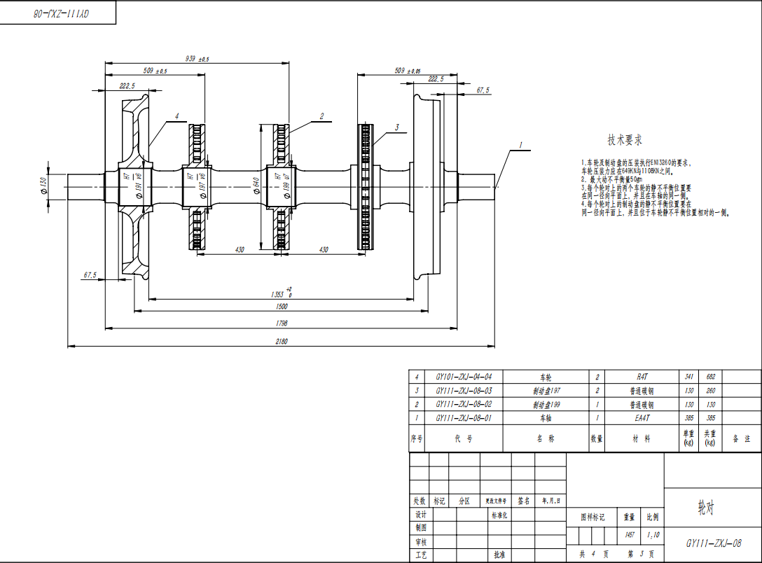
这份学习资料聚焦于动车组转向架的三维实体仿真设计。它通过三维建模构建出转向架的精细结构,并生成清晰的二维图纸。基于模型进行的仿真分析,能有效评估结构强度与动力学性能,从而优化设计并显著缩短开发周期。配套的答辩稿与视频动画,则能直观展示设计思路与成果。这套实用资料为深入理解转向架设计流程提供了有力参考。
免责声明:本文为用户发表,不代表网站立场,仅供参考,不构成引导等用途。
机械设计资料
相关推荐
活性炭吸脱附+催化燃烧三维装配图(solidworks)
01/17
64
房间电器综合控制系统论文——55页
02/15
41
jx189柴油机齿轮室盖钻镗专机总体及主轴箱设计(生产率计算卡 说明书 任务书 CAD图纸 外文翻译)
04/08
25
轴承座零件的机械加工工艺规程及夹具设计(说明书+CAD图纸+工序卡)
04/04
22
总长1100米路基宽度为27m四车道说明及CAD图(公路路线平、纵、横设计,路基工程设计,路面工程设计,桥型、涵洞设计,施工组织设计)
02/07
50
首页
分类
购物车
消息
我的
想要更低价购买?
长按二维码,联系客服享优惠折扣
微信号:
yj99cn