收录软文
返回首页
会员中心
功能菜单
联系我们
https://web.sjbb168.com/
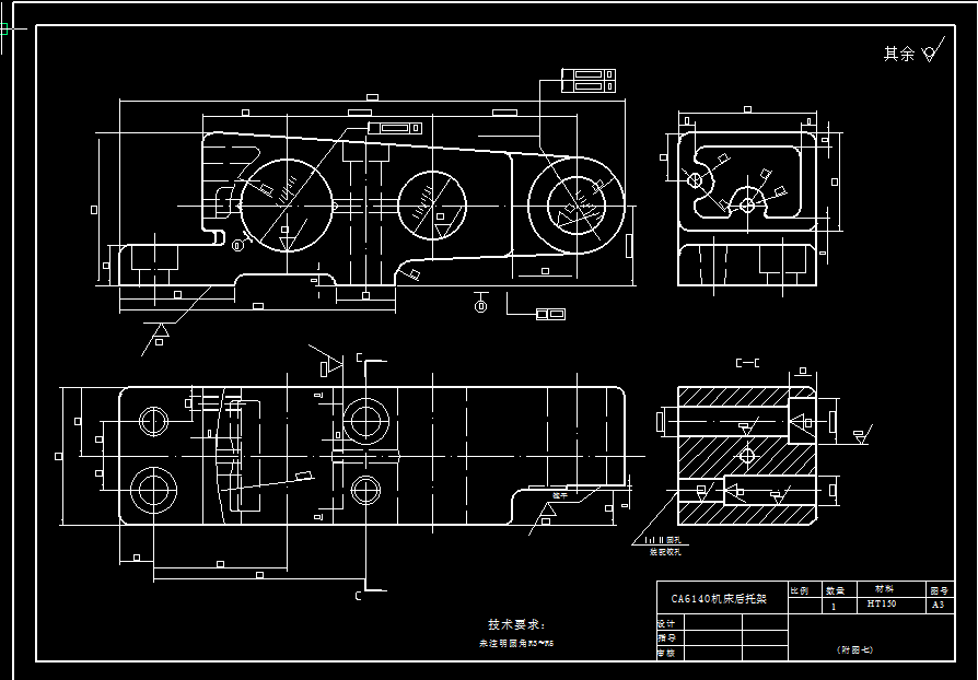
0062-工艺夹具-基于普通机床的后托架及夹具的设计开发(钻、镗、铣共4套夹具)
来源: 阅读:46
网站管理员
发布于 2026-02-03 22:36
查看主页
基于普通机床的后托架及夹具设计,包含钻、镗、铣共4套专用夹具。钻夹具通过精准定位实现孔系加工稳定,镗夹具确保孔径及同轴度精度,铣夹具则提升平面与轮廓加工效率。整体设计强化工序衔接,减少装夹误差,为相关工艺学习提供实用资料。
免责声明:本文为用户发表,不代表网站立场,仅供参考,不构成引导等用途。
收录软文
相关推荐
19度B800_400m_300t/h可伸缩带式输送机(CAD装配图)
03/06
24
柔性加工系统仓储及输送单元设计【论文+CAD图纸+SW三维+开题报告+任务书+文献综述】
03/12
23
升降器外壳冲孔拉伸复合模设计(设计论文+CAD图纸) 零件名称:玻璃升降器
02/02
35
全自动仿手工饺子机Solidworks图纸
02/10
39
柠檬酸发酵工艺流程示意图 (年产5万吨柠檬酸工厂设计)
01/29
28
首页
分类
购物车
消息
我的
想要更低价购买?
长按二维码,联系客服享优惠折扣
微信号:
yj99cn