机械设计资料
返回首页
会员中心
功能菜单
联系我们
https://web.sjbb168.com/
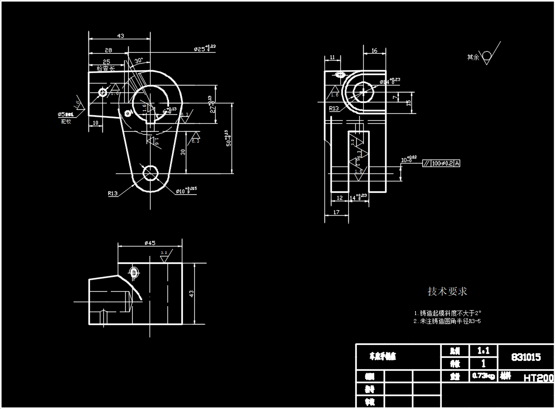
机械制造技术基础_CA6140车床手柄座831015钻φ5.5孔夹具设计【课程设计说明书+CAD图纸+PDF图档+工序卡+过程卡】
来源: 阅读:55
网站管理员
发布于 2026-02-03 18:50
查看主页
针对CA6140车床手柄座831015零件上钻削φ5.5孔工序,其专用夹具的设计是关键。该夹具需确保孔的位置精度与垂直度要求,其结构通常包含定位、夹紧及导向装置。合理选用定位元件消除工件自由度,并设计高效的螺旋或偏心夹紧机构,是实现稳定加工质量、提升效率的基础。相关的学习资料涵盖了从方案构思到具体结构设计的全过程,对理解工艺装备设计具有实用参考价值。
免责声明:本文为用户发表,不代表网站立场,仅供参考,不构成引导等用途。
机械设计资料
相关推荐
基于plc(西门子)的自动门(本设计面向高铁动车组上自动门的应用)的控制系统的设计【毕业设计(论文)+CAD图纸+任务书+程序】
02/15
61
某循环流化床锅炉设计【论文+ CAD图纸+翻译】
03/13
34
标准筛振筛机的总体及夹紧装置的设计(说明书+CAD图纸+开题报告+任务书+外文资料及翻译……)
01/28
49
微型汽车循环球式转向器设计(论文+CAD图纸+部分proe三维图+外文翻译)
02/02
53
后钢板弹簧吊耳的工艺和工装设计(论文+DWG图纸)
03/28
42
首页
分类
购物车
消息
我的
想要更低价购买?
长按二维码,联系客服享优惠折扣
微信号:
yj99cn