机械设计资料
返回首页
会员中心
功能菜单
联系我们
https://web.sjbb168.com/
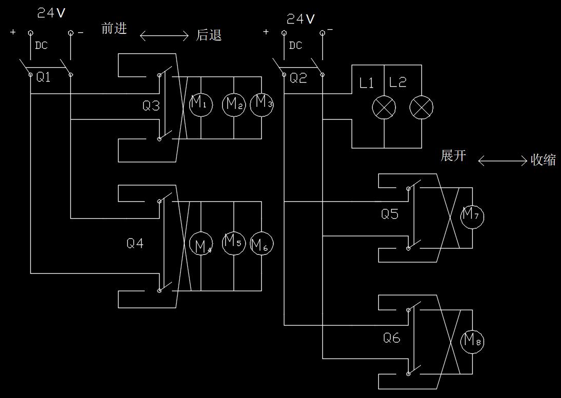
管道爬行器的研究与设计【设计说明书+CAD图纸(装配图、零件图、电路图)+SolidWorks三维图+STEP通用格式+开题报告+任务书+课题申核表+中期检查表】 管道机器人
来源: 阅读:11
网站管理员
发布于 2026-02-03 13:50
查看主页
管道爬行器作为一种特种设备,其研究与设计工作聚焦于在复杂管状空间内实现稳定移动与作业。核心在于解决驱动方式、结构适应性与本体控制等关键技术问题。通过模块化构思,整合机械传动、传感与执行单元,确保其在既定直径范围内具备良好的通过性与负载能力。相关学习资料涵盖了从概念构思到具体实现的全过程,包括结构设计、电路规划及三维建模等实用内容,为深入理解该领域提供了系统性的参考。
免责声明:本文为用户发表,不代表网站立场,仅供参考,不构成引导等用途。
机械设计资料
相关推荐
CA6140车床滤油器体工艺及夹具设计
12/28
29
标准型圆锥破碎机的设计【设计说明书、CAD图纸、开题报告、任务书、外文翻译、文献综述、中期检查表、诚信承诺书】
02/03
14
回转盘工艺规程设计及镗孔工序夹具设计(论文+图纸)
01/20
19
某5层中学教学楼全套设计 (4340平,含计算书,建筑、结构图)
02/08
5
工艺夹具-车床小刀架机械加工工艺及镗孔的夹具设计
02/02
9
首页
分类
购物车
消息
我的
想要更低价购买?
长按二维码,联系客服享优惠折扣
微信号:
yj99cn