收录软文
返回首页
会员中心
功能菜单
联系我们
https://web.sjbb168.com/
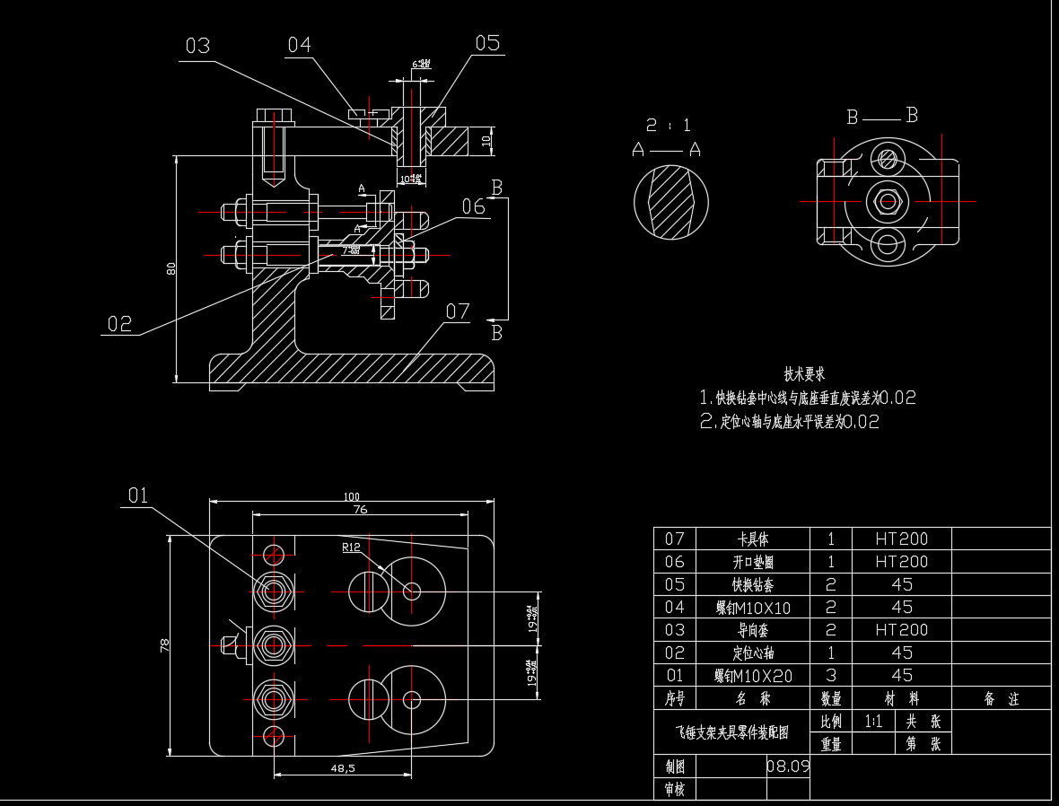
工艺夹具设计-飞锤支架零件的机械加工工艺及夹具设计【铣18槽】(全套)
来源: 阅读:51
网站管理员
发布于 2026-02-02 12:36
查看主页
针对飞锤支架零件,机械加工工艺及铣18槽专用夹具设计需重点关注加工精度与效率。通过优化加工流程,确保各工序衔接精准;夹具采用定位销与压板组合结构,实现零件快速装夹与稳定定位,有效控制槽宽尺寸精度及平行度误差。工艺方案与夹具设计的协同优化,可显著缩短辅助时间,减少装夹误差对加工质量的影响,形成包含工艺路线、夹具结构图等内容的实用资料。
免责声明:本文为用户发表,不代表网站立场,仅供参考,不构成引导等用途。
收录软文
相关推荐
水果纸袋套袋机械设计【论文+CAD图纸+SW三维+开题】
02/05
60
831011拨叉加工夹具设计工艺卡
01/27
44
课程设计 轴承座工艺与镗Φ47孔夹具设计(说明书+CAD图纸+工序卡+过程卡)
03/31
35
建筑混凝土搅拌机的设计【任务书、带solidworks三维、7张cad图纸、毕业论文、开题报告、答辩稿】
03/13
41
三自由度机械手设计
03/31
32
首页
分类
购物车
消息
我的
想要更低价购买?
长按二维码,联系客服享优惠折扣
微信号:
yj99cn