机械设计资料
返回首页
会员中心
功能菜单
联系我们
https://web.sjbb168.com/
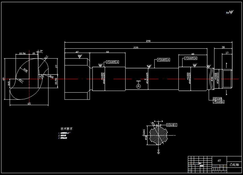
毕业设计 中型客车后轮鼓式制动器设计(说明书+8张CAD图纸)
来源: 阅读:15
网站管理员
发布于 2026-02-02 06:50
查看主页
中型客车后轮鼓式制动器的设计,关键在于平衡制动效能与热稳定性。其核心在于通过合理的蹄鼓间隙、摩擦衬片包角及促动机构布局,实现稳定且足够的制动力矩。设计过程需重点考虑热衰退问题,优化制动鼓散热结构,并确保驻车制动功能的可靠集成。相关的学习资料展示了从参数计算、结构设计到校核验证的完整逻辑,对理解传统制动系统有实用参考价值。
免责声明:本文为用户发表,不代表网站立场,仅供参考,不构成引导等用途。
机械设计资料
相关推荐
CA6140后托架(831001)加工工艺及夹具设计CAD图纸(论文 CAD图纸 开题报告 任务书 工艺卡 文献翻译)
02/05
6
柱塞泵体工艺工装设计【说明书+6张CAD图纸+工艺过程卡】 备注:此份资料不含工序卡
02/05
5
葡萄采摘机的设计(说明书+CAD图纸+solidworks三维图+开题报告+任务书+运动仿真视频+答辩PPT……)
01/05
25
毕业设计 可伸缩带式输送机结构设计【论文+CAD图纸+任务书】
02/03
17
拖拉机水冷系统(sw+cad+说明书+有限元)
01/03
26
首页
分类
购物车
消息
我的
想要更低价购买?
长按二维码,联系客服享优惠折扣
微信号:
yj99cn