机械设计资料
返回首页
会员中心
功能菜单
联系我们
https://web.sjbb168.com/
课程设计 张紧轮钻2×Φ13孔夹具设计【说明书+CAD图纸+SW三维图+工序卡+过程卡】
来源: 阅读:12
网站管理员
发布于 2026-02-02 04:20
查看主页
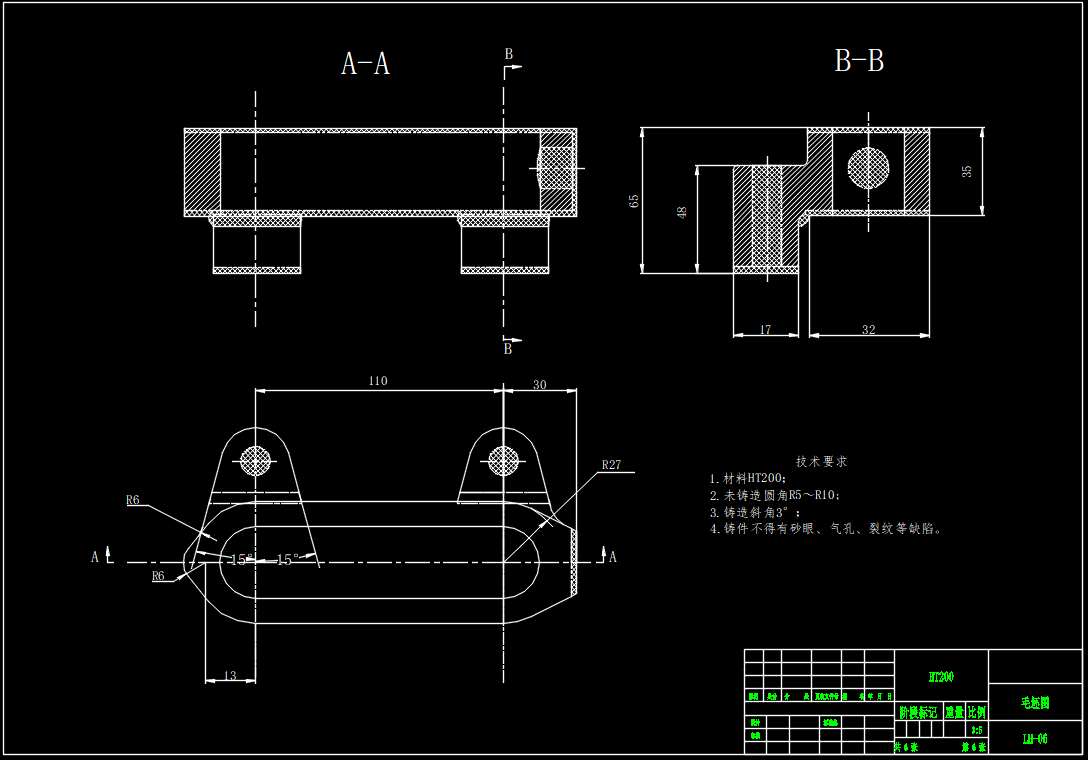
针对张紧轮钻2×Φ13孔的加工需求,专用夹具的设计至关重要。该夹具需确保两孔位置精度与轴线平行度,其结构通常包含定位板、钻模板及快速夹紧机构。通过合理设置定位销与衬套,能有效限制工件自由度,避免加工误差。使用三维软件进行结构验证,可直观检查干涉情况,优化夹具体布局。配套的工序卡与过程卡则清晰规划了每一步操作。这套学习资料涵盖了从三维模型到二维图纸的全套内容,对理解专用夹具设计流程具有实用参考价值。
免责声明:本文为用户发表,不代表网站立场,仅供参考,不构成引导等用途。
机械设计资料
相关推荐
惩罚函数法二级圆柱齿轮减速器的优化设计(论文 CAD图纸 开题报告 任务书 外文翻译)
01/30
15
毕业设计 水果装袋装置设计【论文+CAD图纸+sw三维+开题报告+任务书+外文翻译+局部仿真视频……】
12/29
35
468Q发动机缸体双面卧式钻床总体设计及左主轴箱设计【设计说明书+CAD图纸+外文翻译】
02/05
7
DG500型圆管带式输送机(设计说明书+13张CAD图纸+外文翻译)
02/02
9
动车组转向架三维实体仿真设计(设计说明书+SW三维+PDF二维+答辩稿+视频动画) 备注:此份资料不含CAD图纸
02/03
12
首页
分类
购物车
消息
我的
想要更低价购买?
长按二维码,联系客服享优惠折扣
微信号:
yj99cn