机械设计资料
返回首页
会员中心
功能菜单
联系我们
https://web.sjbb168.com/
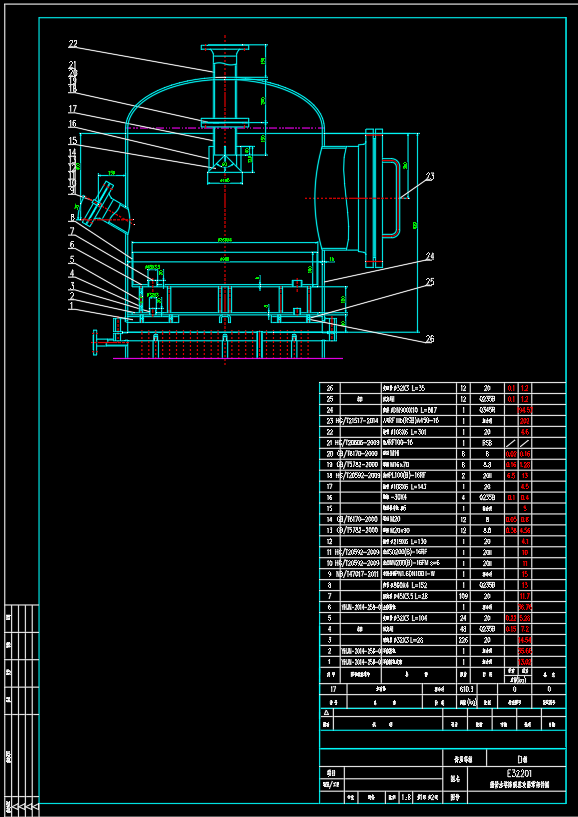
降膜蒸发器分布器(CAD)
来源: 阅读:46
网站管理员
发布于 2026-01-30 13:20
查看主页
降膜蒸发器的稳定运行,离不开分布器的精密设计。它的核心作用,是确保待蒸发的液体物料能在换热管内壁形成均匀、稳定的液膜。这直接决定了传热效率与最终的产品浓度。一个设计得当的分布器,能有效避免沟流、壁面干涸或液体分布不均等问题,从而保障整个蒸发过程高效、平稳地进行。相关的实用资料,对于深入理解这一关键部件的设计要点很有帮助。
免责声明:本文为用户发表,不代表网站立场,仅供参考,不构成引导等用途。
机械设计资料
相关推荐
履带式吸附爬壁机器人设计 壁式清洗清洁机器人机械手(设计说明书+CAD图纸)
03/30
29
超声电机星型减速器传动器的设计(论文 CAD图纸 SW三维图 开题报告 任务书 外文翻译)
01/31
48
箱式变电站地基图
02/13
52
硬盘折片激光辐射角度调整机+3D模型proe4.0可编辑
01/25
58
山东某市某第三中学4层教学楼设计(7050平,含计算书,建筑图,结构图) 钢筋混凝土框架结构
02/07
45
首页
分类
购物车
消息
我的
想要更低价购买?
长按二维码,联系客服享优惠折扣
微信号:
yj99cn