机械设计资料
返回首页
会员中心
功能菜单
联系我们
https://web.sjbb168.com/
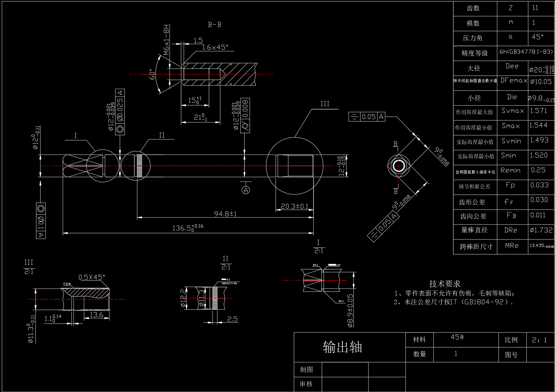
JS108 自动洗衣机行星齿轮减速器的设计(说明书+CAD图纸+任务书+调研报告+翻译)
来源: 阅读:15
网站管理员
发布于 2026-01-29 19:40
查看主页
自动洗衣机行星齿轮减速器是实现高效洗涤与轻柔脱水功能的核心传动部件。其设计通过紧凑的齿轮布局传递动力,在有限空间内实现大减速比,确保电机在高效区间运行的同时输出足够的扭矩。该结构能有效平衡负载、降低噪音并提升传动平稳性。相关的学习资料涵盖了从结构设计、强度校核到关键部件绘制的完整技术内容,为理解这一精密传动装置提供了系统的实用参考。合理的设计显著缩短了开发周期,并避免了因零件数量过多带来的复杂性。
免责声明:本文为用户发表,不代表网站立场,仅供参考,不构成引导等用途。
机械设计资料
相关推荐
转臂式加速度过载模拟实验台结构设计与分析(论文+CAD图纸+开题报告+任务书+外文翻译)
01/30
15
北京某地铁车站规划与设计,地下双层岛式车站总长188.4 m总宽度20.7 m(计算书、施组、CAD图10张)
01/29
14
CA6140拨叉831005
02/06
8
车床上下料机械手毕业设计全套(设计说明书(论文)+CAD图纸+PLC接线图+液压系统图+外文翻译)
01/31
14
悬臂式掘进机的截割机构设计【论文、CAD图纸、开题报告、任务书、实习总结】
02/05
8
首页
分类
购物车
消息
我的
想要更低价购买?
长按二维码,联系客服享优惠折扣
微信号:
yj99cn